4.9
Рейтинг на основании 120 отзывов
Дмитров
Опорный проезд 28Б
(индустриальный парк Ниагара)
Бренд "Дмитров-Дело" c 2008 года на рынке строительства в Дмитрове
Звоните 9:00 до 18:00 8 (915) 055-33-61
Бренд "Дмитров-Дело" c 2008 года на рынке строительства в Дмитрове

Проект Каркасный дом ДСС-0612

Стоимость проекта от:
37 800 ₽
БЕСПЛАТНО! ПРИ ЗАКАЗЕ СТРОИТЕЛЬСТВА
Стоимость строительства от:
4 855 620 ₽
Артикул ART-20084
Дата 26.12.2025
Архитектурный стиль Классический
Количество надземных этажей 1
Круглогодичное проживание Да
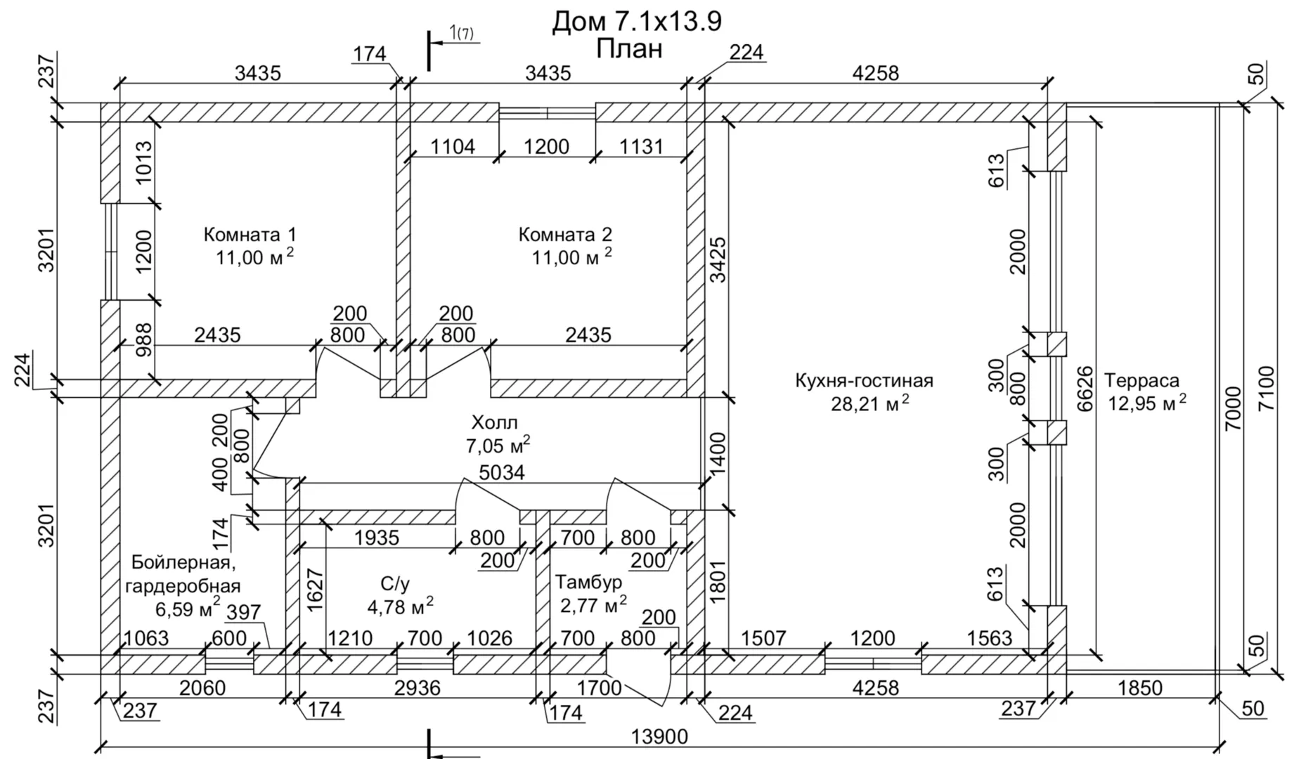
Площадь дома 84 м2
Санузлы 1
Спальни 2

Описание

Добро пожаловать в умиротворённый уголок современного уюта – каркасный дом проекта ДСС‑0612. Это нежное, но прочное сочетание классического стиля и современных технологий, созданное для круглогодичного, безкомпромиссного проживания. В доме ровно один надземный этаж, но благодаря изысканному размещению комнат, свет и воздух проникают куда угодно, создавая ощущение простора и лёгкости. Внутренние стены обшиты высококачественной древесиной, а просторный чердак предоставляет дополнительное скрытое пространство – идеальный уголок для хрупких коллекций или уютного рабочего кабинета. Традиционная двускатная крыша подчёркивает элегантность фасада, а безрамное стеклянное остекление позволяет наслаждаться панорамными видами с каждой комнаты, создавая ощущение того, что вы живёте в объятиях природы. Терраса над выходом из дома приглашает к романтическим вечерним встречам и ярким солнечным завтракам, а отсутствие балконов и веранд вносит в пространство целостность и непрерывность. Каркасные стенки, выполненные из дерева, не только придают дому характер, но и обеспечивают теплоизоляцию, создавая идеальные условия для комфортного проживания в любое время года. Если для вас важен комфорт, тепло и неповторимая атмосфера, ваш новый дом – это именно то, что вы ищете.

Характеристики дома

Архитектурный стиль
Автоматизированное регулирование параметров теплоносителя
Нет
Балконы/лоджии
Отсутствуют
Чердачное помещение
Да
Датчики протечки воды
Нет
Эксплуатируемая или зеленая кровля
Нет
Электроснабжение
Центральное
Газоснабжение
Не предусмотрено
Изоляция воздушного шума
Нет
Камин
Нет
Класс энергоэффективности
-
Класс энергосбережения
-
Количество надземных этажей
1
Круглогодичное проживание
Да
Материал кровли
Металлочерепица
Материал перекрытий
Деревянные
Материал внешних стен
Материал внутренних перегородок
Деревянные
Модульное строительство с конструкциями заводского изготовления
Нет
Объем надземной части
493 м3
Основной материал фасадов
Сайдинг
Отопление
Индивидуальное
Площадь дома
84 м2
Площадь застройки
98 м2
Подвальное помещение
Нет
Показатель компактности здания
-
Приборы учета тепловой энергии
Нет
Пристроенный гараж/крытая автостоянка
Нет
Противопожарная система
Нет
Санузлы
1
Совмещенная кухня-гостиная
Да
Спальни
2
Терраса
Да
Тип фундамента
Свайно-винтовой
Тип кровли
Толщина внешних стен
237 мм
Толщина внутренних перегородок
224 мм
Улучшенные шумовые характеристики
Нет
Вентиляция
Принудительная
Веранда
Нет
Водоотведение
Локальные очистные сооружения
Водоснабжение
Индивидуальное
Высота дома
5 м
Высота потолков
2.7 м

Планировка

Фасад дома

Александр

Закажите выезд инженера

Александр

Выездной инженер
Закажите выезд инженера для точной диагностики и профессиональной консультации по инженерным системам. Специалист приедет в удобное время, проведёт осмотр, рассчитает стоимость работ и подберёт оптимальные решения для вашего дома.


    Похожие проекты

    Ипотека и
    рассрочка
    Барнхаус 120
    Стоимость от:
    7 352 400
    Проект от: 54 000
    Этажей 1
    Санузлы 2
    Спальни 3
    Смотреть
    Ипотека и
    рассрочка
    Малеевка
    Стоимость от:
    8 419 565
    Проект от: 59 850
    Этажей 1
    Санузлы 2
    Спальни 3
    Смотреть
    Ипотека и
    рассрочка
    Мамонтово-9
    Стоимость от:
    10 085 400
    Проект от: 70 200
    Этажей 2
    Санузлы 2
    Спальни 5
    Смотреть
    Ипотека и
    рассрочка
    Проект 6
    Стоимость от:
    7 062 000
    Проект от: 45 000
    Этажей 1
    Санузлы 1
    Спальни 3
    Смотреть
    Ипотека и
    рассрочка
    Модульный дом МД-63
    Стоимость от:
    4 994 880
    Проект от: 33 300
    Этажей 1
    Санузлы 1
    Спальни 2
    Смотреть
    Ипотека и
    рассрочка
    П 1-90
    Стоимость от:
    6 143 940
    Проект от: 39 150
    Этажей 1
    Санузлы 1
    Спальни 3
    Смотреть

    Как узнать стоимость дома

    back
    Оставляете заявку
    Вы заполняете форму на сайте или звоните нам. Менеджер Лайвкрафт связывается с вами для уточнения деталей: тип дома, площадь, материалы, участок строительства.
    back
    Консультация и подбор решения
    Наш специалист помогает выбрать оптимальный тип дома и конструкцию с учётом бюджета, сроков и целей — будь то дом для постоянного проживания или дача.
    back
    Расчёт предварительной стоимости
    Инженер делает первичный расчёт стоимости строительства по вашим параметрам: фундамент, коробка, кровля, отделка. Вы получаете смету с разбивкой по этапам.
    back
    Корректировка и утверждение сметы
    При необходимости вносим изменения — например, замену материалов или сокращение этапов. После согласования формируется окончательная фиксированная смета.
    back
    Заключение договора и старт работ
    После утверждения сметы заключаем официальный договор с гарантией. Вы получаете прозрачный график и точную стоимость — без скрытых расходов.

    Заказать конусльтацию по:Проект Каркасный дом ДСС-0612

    Фото 1 Проект Каркасный дом ДСС-0612


      Наши
      контакты

      Дмитров
      Опорный проезд 28Б
      (индустриальный парк Ниагара)
      9:00 до 18:00

      Корзина