4.9
Рейтинг на основании 120 отзывов
Дмитров
Опорный проезд 28Б
(индустриальный парк Ниагара)
Бренд "Дмитров-Дело" c 2008 года на рынке строительства в Дмитрове
Звоните 9:00 до 18:00 8 (915) 055-33-61
Бренд "Дмитров-Дело" c 2008 года на рынке строительства в Дмитрове

Проект загородного дома NHD-173

Стоимость проекта от:
91 350 ₽
Стоимость строительства от:
14 688 720 ₽
Артикул ART-14255
Дата 25.12.2025
Архитектурный стиль Классический
Количество надземных этажей 2
Круглогодичное проживание Да
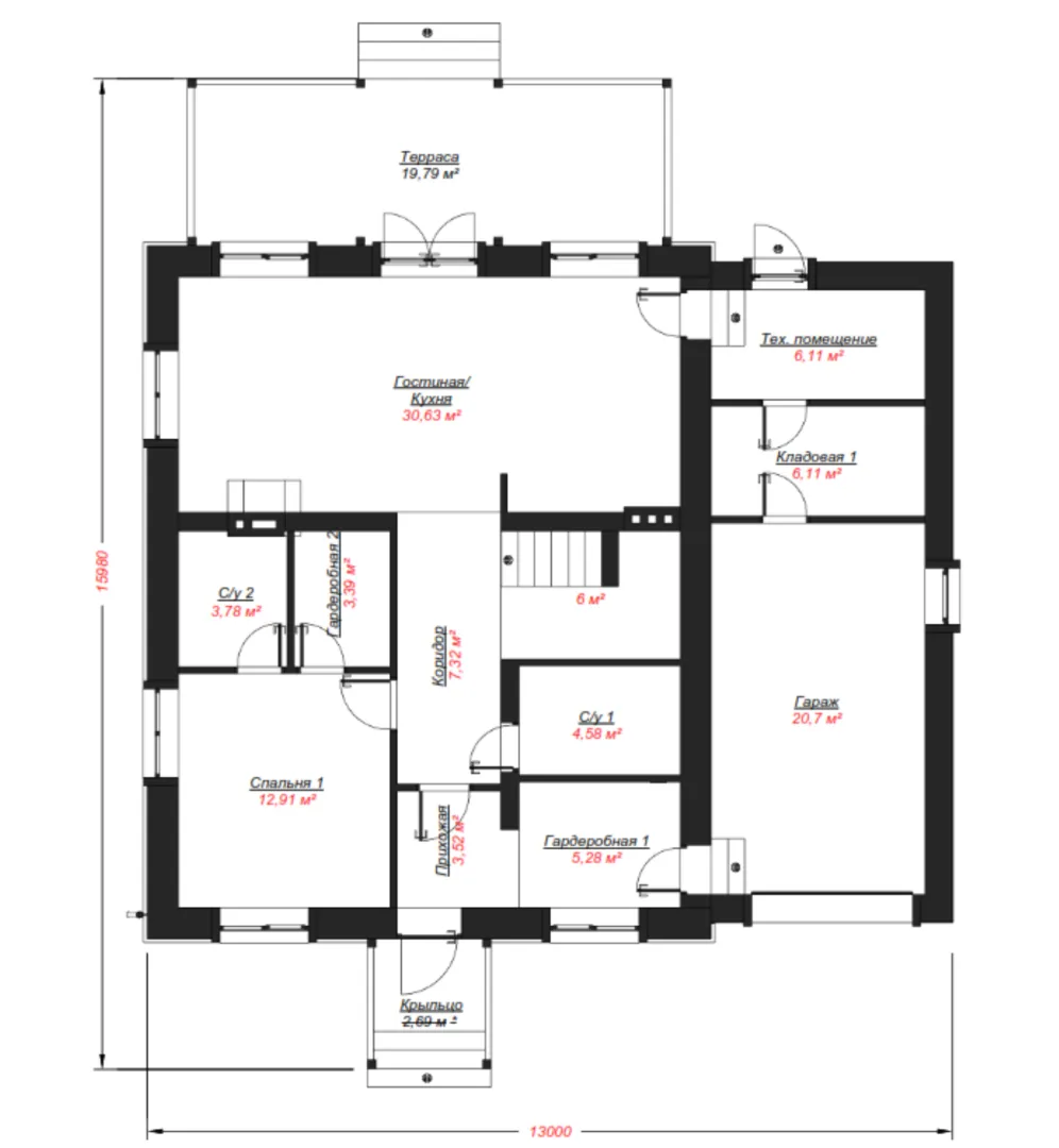
Площадь дома 203 м2
Санузлы 3
Спальни 4

Описание

**Добро пожаловать в дом мечты — проект NHD‑173** Величественный двухэтажный загородный дом, выполненный в строгом классическом стиле, раскрывает перед вами идеал уединённого спокойствия и практичности. Его массивные газобетонные стены создают приятную теплоизоляцию, а величественный двускатный покров напоминает о вечном летнем солнце, обеспечивая уют в любое время года. Пространство, обрамленное элегантной архитектурой, призывает к расслаблению и гармоничному взаимодействию с природой. **Комфорт и функциональность ждут на каждом шагу** Утренний свет проникает в просторные комнаты, создавая ощущение простора и легкости. Внутренний план продуман до мелочей: гостеприимная гостиная, уютная столовая, светлые спальни с выходом в просторную террасу, где вы сможете наслаждаться закатами и ароматами сада. Пристроенный гараж и крытая автостоянка обеспечивают безопасное хранение вашего транспорта, а просторное чердачное помещение открывает дополнительные возможности для хранения или создания домашнего пространства. **Идеальное место для семейной жизни** Дом NHD‑173 – это не просто здание, а место, где каждый день наполнен комфортом и эстетикой. Приглашаем вас заглянуть в наш проект, почувствовать атмосферу простора и уюта, и превратить его в настоящий дом своей истории. Откройте двери к новым возможностям – ваш дом ждет!

Характеристики дома

Архитектурный стиль
Классический
Автоматизированное регулирование параметров теплоносителя
Да
Балконы/лоджии
Отсутствуют
Чердачное помещение
Да
Датчики протечки воды
Нет
Эксплуатируемая или зеленая кровля
Нет
Электроснабжение
Центральное
Газоснабжение
Центральное
Изоляция воздушного шума
Да
Камин
Нет
Класс энергоэффективности
A++
Класс энергосбережения
A++
Количество надземных этажей
2
Круглогодичное проживание
Да
Материал кровли
Металлочерепица
Материал перекрытий
Сборные железобетонные предварительно напряженные пустотные плиты
Материал внешних стен
Газобетонные блоки
Материал внутренних перегородок
Блочные
Модульное строительство с конструкциями заводского изготовления
Нет
Объем надземной части
1482 м3
Основной материал фасадов
Облицовочный кирпич
Отопление
Индивидуальное
Площадь дома
203 м2
Площадь застройки
172 м2
Подвальное помещение
Нет
Показатель компактности здания
0.8
Приборы учета тепловой энергии
Да
Пристроенный гараж/крытая автостоянка
Да
Противопожарная система
Нет
Санузлы
3
Совмещенная кухня-гостиная
Да
Спальни
4
Терраса
Да
Тип фундамента
Свайно-ростверковый
Тип кровли
Двускатная
Толщина внешних стен
500 мм
Толщина внутренних перегородок
100 мм
Улучшенные шумовые характеристики
Да
Вентиляция
Естественная
Веранда
Нет
Водоотведение
Локальные очистные сооружения
Водоснабжение
Индивидуальное
Высота дома
10.2 м
Высота потолков
2.8 м

Планировка

Фасад дома

Александр

Закажите выезд инженера

Александр

Выездной инженер
Закажите выезд инженера для точной диагностики и профессиональной консультации по инженерным системам. Специалист приедет в удобное время, проведёт осмотр, рассчитает стоимость работ и подберёт оптимальные решения для вашего дома.


    Похожие проекты

    Ипотека и
    рассрочка
    Одноэтажный дом с большой кухней-гостинной
    Стоимость от:
    6 537 410
    Проект от: 46 350
    Этажей 1
    Санузлы 2
    Спальни 3
    Смотреть
    Ипотека и
    рассрочка
    Загородный дом — Тип 1
    Стоимость от:
    7 585 160
    Проект от: 44 100
    Этажей 1
    Санузлы 1
    Спальни 3
    Смотреть
    Ипотека и
    рассрочка
    Одноэтажный дом с крыльцом
    Стоимость от:
    4 439 380
    Проект от: 26 550
    Этажей 1
    Санузлы 2
    Спальни 2
    Смотреть
    Ипотека и
    рассрочка
    Одноэтажный загородный дом №239
    Стоимость от:
    8 992 060
    Проект от: 50 850
    Этажей 1
    Санузлы 2
    Спальни 3
    Смотреть
    Ипотека и
    рассрочка
    Сканди 115
    Стоимость от:
    10 739 300
    Проект от: 60 750
    Этажей 1
    Санузлы 2
    Спальни 3
    Смотреть
    Ипотека и
    рассрочка
    ДомPRO 95-4К
    Стоимость от:
    7 562 500
    Проект от: 42 750
    Этажей 1
    Санузлы 2
    Спальни 4
    Смотреть

    Как узнать стоимость дома

    back
    Оставляете заявку
    Вы заполняете форму на сайте или звоните нам. Менеджер Лайвкрафт связывается с вами для уточнения деталей: тип дома, площадь, материалы, участок строительства.
    back
    Консультация и подбор решения
    Наш специалист помогает выбрать оптимальный тип дома и конструкцию с учётом бюджета, сроков и целей — будь то дом для постоянного проживания или дача.
    back
    Расчёт предварительной стоимости
    Инженер делает первичный расчёт стоимости строительства по вашим параметрам: фундамент, коробка, кровля, отделка. Вы получаете смету с разбивкой по этапам.
    back
    Корректировка и утверждение сметы
    При необходимости вносим изменения — например, замену материалов или сокращение этапов. После согласования формируется окончательная фиксированная смета.
    back
    Заключение договора и старт работ
    После утверждения сметы заключаем официальный договор с гарантией. Вы получаете прозрачный график и точную стоимость — без скрытых расходов.

    Заказать конусльтацию по:Проект загородного дома NHD-173

    Фото 1 Проект загородного дома NHD-173


      Наши
      контакты

      Дмитров
      Опорный проезд 28Б
      (индустриальный парк Ниагара)
      9:00 до 18:00