4.9
Рейтинг на основании 120 отзывов
Дмитров
Опорный проезд 28Б
(индустриальный парк Ниагара)
Бренд "Дмитров-Дело" c 2008 года на рынке строительства в Дмитрове
Звоните 9:00 до 18:00 8 (915) 055-33-61
Бренд "Дмитров-Дело" c 2008 года на рынке строительства в Дмитрове

Проект загородного дома NHD-153

Стоимость проекта от:
55 350 ₽
БЕСПЛАТНО! ПРИ ЗАКАЗЕ СТРОИТЕЛЬСТВА
Стоимость строительства от:
9 240 660 ₽
Артикул ART-16865
Дата 26.12.2025
Архитектурный стиль Классический
Количество надземных этажей 1
Круглогодичное проживание Да
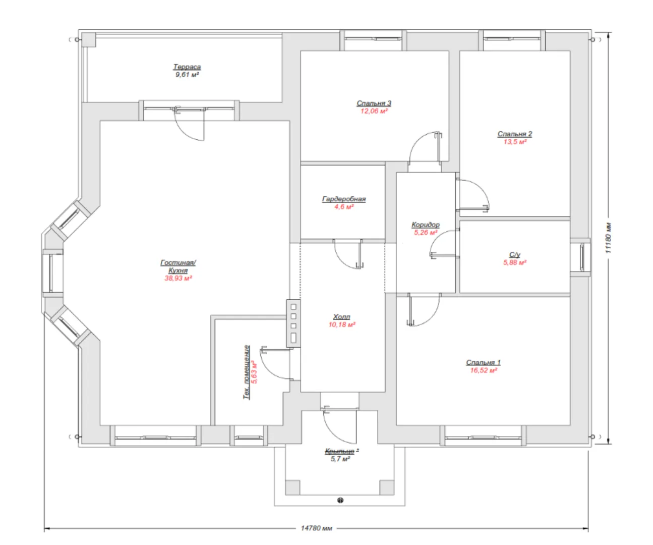
Площадь дома 123 м2
Санузлы 1
Спальни 3

Описание

**Прекрасный загородный отдых в сердце природы** В проекте NHD‑153 вы найдёте идеальное сочетание спокойствия и уюта: одноэтажный дом в строгом классическом стиле, который становится вашим круглогодичным домом. Он изготовлен из газобетонных блоков, что обеспечивает надёжную тепло‑ и звукоизоляцию, а также экономичность эксплуатации. Утончённый внешний облик, подчёркнутый чистыми линиями и аккуратными деталями, гармонично вписывается в любой природный ландшафт, делая ваш уголок дома почти невидимым и при этом неповторимым. Внутри вас ждёт просторный и светлый интерьер, отточенный до мелочей: от ярко освещённого гостиного уголка до уютной кухонной зоны, где каждый предмет находится в нужном месте. А наличие чердачного помещения добавляет функциональности, позволяя сделать отдельный кабинет или хранилище для сезонных вещей. Крыша в виде четырёхскатной (валмовой) конструкции создаёт ощущение защищённости и в то же время визуально расширяет пространство. На терраса выходят наружу свежий воздух и панорама, где можно наслаждаться закатами и бесконечным спокойствием местного фольклора. Этот дом — ваша личная сказка, где каждое утро начинается с шёпота ветра, а каждый вечер завершается теплом камина и запахом свежего кофе. Откройте двери к новой главе вашей жизни в уюте, благородстве и безупречной атмосфере, которую дарит проект NHD‑153.

Характеристики дома

Архитектурный стиль
Автоматизированное регулирование параметров теплоносителя
Да
Балконы/лоджии
Отсутствуют
Чердачное помещение
Да
Датчики протечки воды
Нет
Эксплуатируемая или зеленая кровля
Нет
Электроснабжение
Центральное
Газоснабжение
Центральное
Изоляция воздушного шума
Да
Камин
Нет
Класс энергоэффективности
A++
Класс энергосбережения
A++
Количество надземных этажей
1
Круглогодичное проживание
Да
Материал кровли
Металлочерепица
Материал перекрытий
Сборные железобетонные предварительно напряженные пустотные плиты
Материал внешних стен
Материал внутренних перегородок
Блочные
Модульное строительство с конструкциями заводского изготовления
Нет
Объем надземной части
811 м3
Основной материал фасадов
Облицовочный кирпич
Отопление
Индивидуальное
Площадь дома
123 м2
Площадь застройки
204 м2
Подвальное помещение
Нет
Показатель компактности здания
1
Приборы учета тепловой энергии
Да
Пристроенный гараж/крытая автостоянка
Нет
Противопожарная система
Нет
Санузлы
1
Совмещенная кухня-гостиная
Да
Спальни
3
Терраса
Да
Тип фундамента
Свайно-ростверковый
Толщина внешних стен
500 мм
Толщина внутренних перегородок
100 мм
Улучшенные шумовые характеристики
Да
Вентиляция
Естественная
Веранда
Нет
Водоотведение
Локальные очистные сооружения
Водоснабжение
Индивидуальное
Высота дома
6.6 м
Высота потолков
2.8 м

Планировка

Фасад дома

Александр

Закажите выезд инженера

Александр

Выездной инженер
Закажите выезд инженера для точной диагностики и профессиональной консультации по инженерным системам. Специалист приедет в удобное время, проведёт осмотр, рассчитает стоимость работ и подберёт оптимальные решения для вашего дома.


    Похожие проекты

    Ипотека и
    рассрочка
    Грата 1-120-М
    Стоимость от:
    8 751 600
    Проект от: 54 000
    Этажей 1
    Санузлы 2
    Спальни 3
    Смотреть
    Ипотека и
    рассрочка
    «Загородный дом Емельяныч»
    Стоимость от:
    8 715 520
    Проект от: 52 200
    Этажей 1
    Санузлы 2
    Спальни 3
    Смотреть
    Ипотека и
    рассрочка
    P-75
    Стоимость от:
    5 839 240
    Проект от: 41 400
    Этажей 1
    Санузлы 2
    Спальни 3
    Смотреть
    Ипотека и
    рассрочка
    АРЧИ
    Стоимость от:
    6 292 000
    Проект от: 45 000
    Этажей 1
    Санузлы 1
    Спальни 2
    Смотреть
    Ипотека и
    рассрочка
    Низино
    Стоимость от:
    11 148 840
    Проект от: 83 700
    Этажей 2
    Санузлы 2
    Спальни 5
    Смотреть
    Ипотека и
    рассрочка
    Проект мансардного дома №15
    Стоимость от:
    7 271 280
    Проект от: 43 650
    Этажей 2
    Санузлы 4
    Спальни 4
    Смотреть

    Как узнать стоимость дома

    back
    Оставляете заявку
    Вы заполняете форму на сайте или звоните нам. Менеджер Лайвкрафт связывается с вами для уточнения деталей: тип дома, площадь, материалы, участок строительства.
    back
    Консультация и подбор решения
    Наш специалист помогает выбрать оптимальный тип дома и конструкцию с учётом бюджета, сроков и целей — будь то дом для постоянного проживания или дача.
    back
    Расчёт предварительной стоимости
    Инженер делает первичный расчёт стоимости строительства по вашим параметрам: фундамент, коробка, кровля, отделка. Вы получаете смету с разбивкой по этапам.
    back
    Корректировка и утверждение сметы
    При необходимости вносим изменения — например, замену материалов или сокращение этапов. После согласования формируется окончательная фиксированная смета.
    back
    Заключение договора и старт работ
    После утверждения сметы заключаем официальный договор с гарантией. Вы получаете прозрачный график и точную стоимость — без скрытых расходов.

    Заказать конусльтацию по:Проект загородного дома NHD-153

    Фото 1 Проект загородного дома NHD-153


      Наши
      контакты

      Дмитров
      Опорный проезд 28Б
      (индустриальный парк Ниагара)
      9:00 до 18:00

      Корзина