4.9
Рейтинг на основании 120 отзывов
Дмитров
Опорный проезд 28Б
(индустриальный парк Ниагара)
Бренд "Дмитров-Дело" c 2008 года на рынке строительства в Дмитрове
Звоните 9:00 до 18:00 8 (915) 055-33-61
Бренд "Дмитров-Дело" c 2008 года на рынке строительства в Дмитрове

Проект загородного дома NHD-168

Стоимость проекта от:
87 300 ₽
БЕСПЛАТНО! ПРИ ЗАКАЗЕ СТРОИТЕЛЬСТВА
Стоимость строительства от:
13 700 280 ₽
Артикул ART-14143
Дата 25.12.2025
Архитектурный стиль Классический
Количество надземных этажей 1
Круглогодичное проживание Да
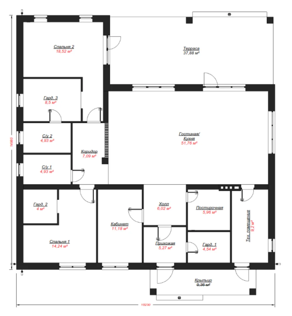
Площадь дома 194 м2
Санузлы 2
Спальни 3

Описание

Пусть ваш утренний кофе разливается на просторах классического величия. Дом проекта NHD‑168 — это гармоничное сочетание элегантности и практичности: один надземный этаж, который открывает просторные комнаты с обилием естественного света. Крыша в четвёрных скатах, выполненная в вальмовом стиле, придаёт образу силуэт, а газобетонные блоки внешних стен обеспечивают тепло и устойчивость к погодным условиям, позволяя круглогодично наслаждаться уютом в любой поре года. Во внутреннем пространстве вам встретится непринуждённый комфорт, где каждая деталь пронизана гармонией традиций и современного удобства. Открытая кухня, светлые коридоры и просторные спальни создают неповторимую атмосферу домашнего уюта. И хотя в доме нет балконов, веранд и прицепных гаражов, вишневый закат можно наблюдать от большой террасы, где можно насладиться свежим воздухом, погрузившись в мир тишины и спокойствия. Это место, где каждый день начинается и заканчивается в объятиях классической эстетики, а уют и тепло становятся неотъемлемой частью вашего семейного быта.

Характеристики дома

Архитектурный стиль
Автоматизированное регулирование параметров теплоносителя
Да
Балконы/лоджии
Отсутствуют
Чердачное помещение
Нет
Датчики протечки воды
Нет
Эксплуатируемая или зеленая кровля
Нет
Электроснабжение
Центральное
Газоснабжение
Центральное
Изоляция воздушного шума
Да
Камин
Нет
Класс энергоэффективности
A++
Класс энергосбережения
A++
Количество надземных этажей
1
Круглогодичное проживание
Да
Материал кровли
Металлочерепица
Материал перекрытий
Сборные железобетонные предварительно напряженные пустотные плиты
Материал внешних стен
Материал внутренних перегородок
Блочные
Модульное строительство с конструкциями заводского изготовления
Нет
Объем надземной части
1574 м3
Основной материал фасадов
Штукатурка
Отопление
Индивидуальное
Площадь дома
194 м2
Площадь застройки
236 м2
Подвальное помещение
Нет
Показатель компактности здания
1
Приборы учета тепловой энергии
Да
Пристроенный гараж/крытая автостоянка
Нет
Противопожарная система
Нет
Санузлы
2
Совмещенная кухня-гостиная
Да
Спальни
3
Терраса
Да
Тип фундамента
Плитный
Толщина внешних стен
400 мм
Толщина внутренних перегородок
100 мм
Улучшенные шумовые характеристики
Да
Вентиляция
Естественная
Веранда
Нет
Водоотведение
Локальные очистные сооружения
Водоснабжение
Индивидуальное
Высота дома
6.9 м
Высота потолков
3 м

Планировка

Фасад дома

Александр

Закажите выезд инженера

Александр

Выездной инженер
Закажите выезд инженера для точной диагностики и профессиональной консультации по инженерным системам. Специалист приедет в удобное время, проведёт осмотр, рассчитает стоимость работ и подберёт оптимальные решения для вашего дома.


    Похожие проекты

    Ипотека и
    рассрочка
    Весна 2020
    Стоимость от:
    8 894 600
    Проект от: 58 500
    Этажей 1
    Санузлы 2
    Спальни 3
    Смотреть
    Ипотека и
    рассрочка
    Проект одноэтажного дома «Валерий Андреевич»
    Стоимость от:
    9 786 260
    Проект от: 55 350
    Этажей 1
    Санузлы 2
    Спальни 3
    Смотреть
    Ипотека и
    рассрочка
    Проект Одноэтажный дом в Скандинавском стиле РК-120
    Стоимость от:
    8 347 240
    Проект от: 54 900
    Этажей 1
    Санузлы 2
    Спальни 3
    Смотреть
    Ипотека и
    рассрочка
    Индивидуальный жилой проект ОС-24-38
    Стоимость от:
    6 847 720
    Проект от: 38 700
    Этажей 1
    Санузлы 2
    Спальни 3
    Смотреть
    Ипотека и
    рассрочка
    Петергоф
    Стоимость от:
    19 524 300
    Проект от: 135 900
    Этажей 2
    Санузлы 3
    Спальни 6
    Смотреть
    Ипотека и
    рассрочка
    Делос
    Стоимость от:
    7 665 240
    Проект от: 45 900
    Этажей 1
    Санузлы 2
    Спальни 3
    Смотреть

    Как узнать стоимость дома

    back
    Оставляете заявку
    Вы заполняете форму на сайте или звоните нам. Менеджер Лайвкрафт связывается с вами для уточнения деталей: тип дома, площадь, материалы, участок строительства.
    back
    Консультация и подбор решения
    Наш специалист помогает выбрать оптимальный тип дома и конструкцию с учётом бюджета, сроков и целей — будь то дом для постоянного проживания или дача.
    back
    Расчёт предварительной стоимости
    Инженер делает первичный расчёт стоимости строительства по вашим параметрам: фундамент, коробка, кровля, отделка. Вы получаете смету с разбивкой по этапам.
    back
    Корректировка и утверждение сметы
    При необходимости вносим изменения — например, замену материалов или сокращение этапов. После согласования формируется окончательная фиксированная смета.
    back
    Заключение договора и старт работ
    После утверждения сметы заключаем официальный договор с гарантией. Вы получаете прозрачный график и точную стоимость — без скрытых расходов.

    Заказать конусльтацию по:Проект загородного дома NHD-168

    Фото 1 Проект загородного дома NHD-168


      Наши
      контакты

      Дмитров
      Опорный проезд 28Б
      (индустриальный парк Ниагара)
      9:00 до 18:00

      Корзина