4.9
Рейтинг на основании 120 отзывов
Дмитров
Опорный проезд 28Б
(индустриальный парк Ниагара)
Бренд "Дмитров-Дело" c 2008 года на рынке строительства в Дмитрове
Звоните 9:00 до 18:00 8 (915) 055-33-61
Бренд "Дмитров-Дело" c 2008 года на рынке строительства в Дмитрове

Загородный дом с мансардой

Стоимость проекта от:
63 000 ₽
БЕСПЛАТНО! ПРИ ЗАКАЗЕ СТРОИТЕЛЬСТВА
Стоимость строительства от:
10 128 000 ₽
Артикул ART-13361
Дата 25.12.2025
Архитектурный стиль Минимализм
Количество надземных этажей 2
Круглогодичное проживание Да
Площадь дома 140 м2
Санузлы 1
Спальни 2

Описание

Насладитесь спокойствием и уединением в нашем уютном загородном доме, где современный минимализм гармонично сочетается с природным окружением. На двух надземных этажах вы найдёте просторные открытые зоны, куда впишутся светлые и светлые интерьеры, а в мансардном помещении – легкая атмосфера уюта и возможности превратить его в домашний кабинет, домашний кинотеатр или детскую игровую комнату. Гибкая планировка и отсутствие громоздких перегородок позволяют каждому найти свое место у комфорта и уединения. Ключ к нашему дому – это его энергетическая эффективность и практичность. Современные газобетонные стены обеспечивают отличную теплоизоляцию и устойчивость к внешним воздействиям, а классически оформленная двускатная крыша не только придает зданию лаконичный силуэт, но и защищает от непогоды. Завесу надзвичайной уединённости оставив балконы, лоджии, веранд и гаражи, мы позволили сосредоточиться на естественном свете, свежем воздухе и красоте окружения, создавая идеальное место для отдыха и самосовершенствования. Погрузитесь в атмосферу простоты и уравновешенности: здесь нет лишних элементов, которые навязывают стиль. Вместо этого у каждой детали есть свое место и смысл – от широких окон, вписанных в фасад, до аккуратных линий архитектуры. Заведённые в доме уютные и открытые пространства легко превращаются в дом, где каждый день будет ассоциироваться с радостью и покоем, а загородный воздух станет вашим лучшим источником вдохновения.

Характеристики дома

Архитектурный стиль
Автоматизированное регулирование параметров теплоносителя
Да
Балконы/лоджии
Отсутствуют
Чердачное помещение
Нет
Датчики протечки воды
Нет
Эксплуатируемая или зеленая кровля
Нет
Электроснабжение
Центральное
Газоснабжение
Не предусмотрено
Изоляция воздушного шума
Нет
Камин
Нет
Класс энергоэффективности
-
Класс энергосбережения
-
Количество надземных этажей
2
Круглогодичное проживание
Да
Материал кровли
Металлочерепица
Материал перекрытий
Деревянные
Материал внешних стен
Материал внутренних перегородок
Блочные
Модульное строительство с конструкциями заводского изготовления
Нет
Объем надземной части
-
Основной материал фасадов
Фасадная плитка
Отопление
Индивидуальное
Площадь дома
140 м2
Площадь застройки
100 м2
Подвальное помещение
Нет
Показатель компактности здания
-
Приборы учета тепловой энергии
Нет
Пристроенный гараж/крытая автостоянка
Нет
Противопожарная система
Нет
Санузлы
1
Совмещенная кухня-гостиная
Да
Спальни
2
Терраса
Нет
Тип фундамента
Свайно-ростверковый
Тип кровли
Толщина внешних стен
300 мм
Толщина внутренних перегородок
100 мм
Улучшенные шумовые характеристики
Нет
Вентиляция
Естественная
Веранда
Нет
Водоотведение
Локальные очистные сооружения
Водоснабжение
Индивидуальное
Высота дома
7.2 м
Высота потолков
2.8 м

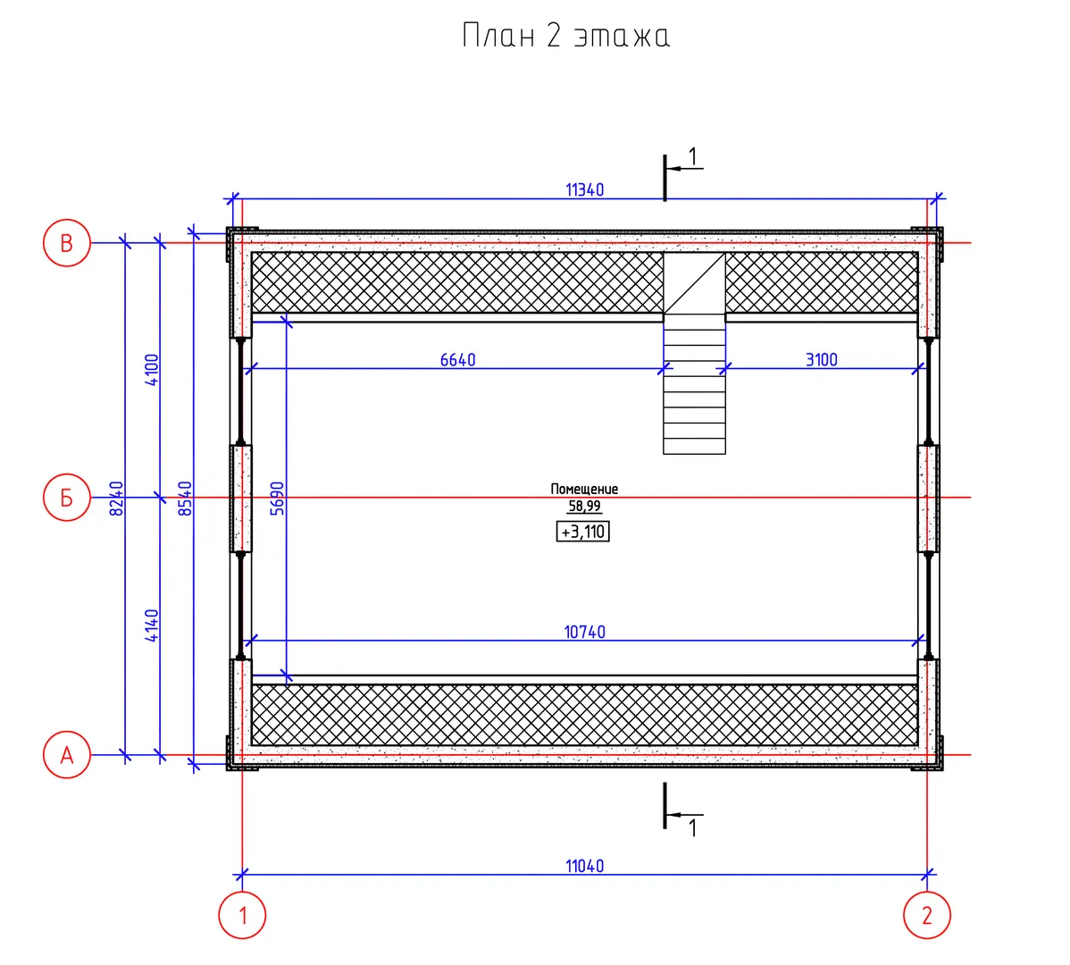
Планировка

Фасад дома

Александр

Закажите выезд инженера

Александр

Выездной инженер
Закажите выезд инженера для точной диагностики и профессиональной консультации по инженерным системам. Специалист приедет в удобное время, проведёт осмотр, рассчитает стоимость работ и подберёт оптимальные решения для вашего дома.


    Похожие проекты

    Ипотека и
    рассрочка
    Проект одноэтажного дома «Сиэтл»
    Стоимость от:
    5 884 120
    Проект от: 38 700
    Этажей 1
    Санузлы 1
    Спальни 2
    Смотреть
    Ипотека и
    рассрочка
    БарнХаус — КМ61
    Стоимость от:
    4 851 990
    Проект от: 39 150
    Этажей 1
    Санузлы 1
    Спальни 3
    Смотреть
    Ипотека и
    рассрочка
    Двухэтажный коттедж Д-2023-124
    Стоимость от:
    8 972 160
    Проект от: 55 800
    Этажей 2
    Санузлы 2
    Спальни 3
    Смотреть
    Ипотека и
    рассрочка
    Дом Светлый 57
    Стоимость от:
    3 419 880
    Проект от: 25 650
    Этажей 2
    Санузлы 1
    Спальни 3
    Смотреть
    Ипотека и
    рассрочка
    Грецкий орех
    Стоимость от:
    10 263 000
    Проект от: 67 500
    Этажей 1
    Санузлы 2
    Спальни 3
    Смотреть
    Ипотека и
    рассрочка
    Одноэтажный дом «Ягодное»
    Стоимость от:
    10 126 160
    Проект от: 66 600
    Этажей 1
    Санузлы 2
    Спальни 3
    Смотреть

    Как узнать стоимость дома

    back
    Оставляете заявку
    Вы заполняете форму на сайте или звоните нам. Менеджер Лайвкрафт связывается с вами для уточнения деталей: тип дома, площадь, материалы, участок строительства.
    back
    Консультация и подбор решения
    Наш специалист помогает выбрать оптимальный тип дома и конструкцию с учётом бюджета, сроков и целей — будь то дом для постоянного проживания или дача.
    back
    Расчёт предварительной стоимости
    Инженер делает первичный расчёт стоимости строительства по вашим параметрам: фундамент, коробка, кровля, отделка. Вы получаете смету с разбивкой по этапам.
    back
    Корректировка и утверждение сметы
    При необходимости вносим изменения — например, замену материалов или сокращение этапов. После согласования формируется окончательная фиксированная смета.
    back
    Заключение договора и старт работ
    После утверждения сметы заключаем официальный договор с гарантией. Вы получаете прозрачный график и точную стоимость — без скрытых расходов.

    Заказать конусльтацию по:Загородный дом с мансардой

    Фото 1 Загородный дом с мансардой


      Наши
      контакты

      Дмитров
      Опорный проезд 28Б
      (индустриальный парк Ниагара)
      9:00 до 18:00

      Корзина