4.9
Рейтинг на основании 120 отзывов
Дмитров
Опорный проезд 28Б
(индустриальный парк Ниагара)
Бренд "Дмитров-Дело" c 2008 года на рынке строительства в Дмитрове
Звоните 9:00 до 18:00 8 (915) 055-33-61
Бренд "Дмитров-Дело" c 2008 года на рынке строительства в Дмитрове

Дом 9,2х6

Стоимость проекта от:
19 350 ₽
БЕСПЛАТНО! ПРИ ЗАКАЗЕ СТРОИТЕЛЬСТВА
Стоимость строительства от:
3 432 660 ₽
Артикул ART-17611
Дата 26.12.2025
Архитектурный стиль Классический
Количество надземных этажей 1
Круглогодичное проживание Да
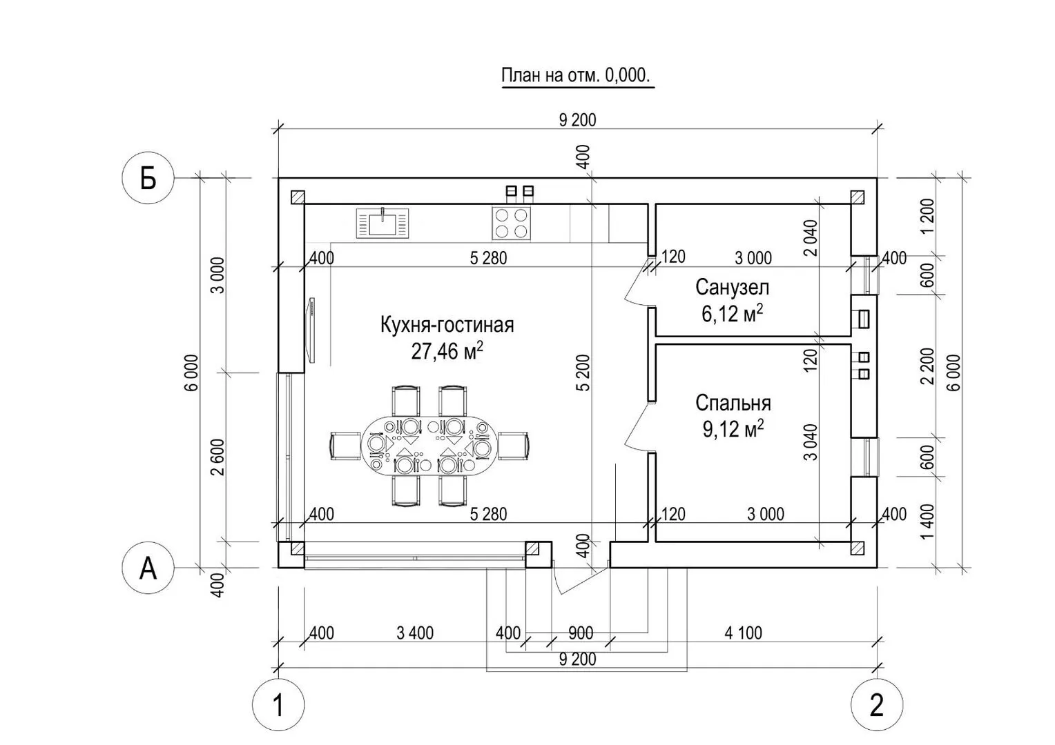
Площадь дома 43 м2
Санузлы 1
Спальни 1

Описание

Наряду с уютом семейных обедов и вечерних бесед, этот одножествий классический дом в 9,2 × 6 м придаёт ощущение истинного стиля и надёжности. Каменные стены, чёткая четырёхскатная крыша и аккуратный кирпичный фасад создают впечатление времени, в котором важнее всё: тепло, спокойствие и надёжность. Здесь, в круглый год, можно открыть уют, где каждый уголок хранит гармонию и душевную теплоту. Объёмный и светлый внутренний план позволяет легко разместить просторный гардероб, детскую комнату и тихий уголок для чтения. Дом, несмотря на отсутствие балконов, веранд и приёмо‑вместных помещений, компенсирует это приятной мягкой световой схемой и высоким качеством отделки, а его один этаж гарантирует удобство для всех возрастов. Идеальное решение для тех, кто ценит непритязательный комфорт и безмятежность в своём доме.

Характеристики дома

Архитектурный стиль
Автоматизированное регулирование параметров теплоносителя
Да
Балконы/лоджии
Отсутствуют
Чердачное помещение
Нет
Датчики протечки воды
Да
Эксплуатируемая или зеленая кровля
Нет
Электроснабжение
Центральное
Газоснабжение
Центральное
Изоляция воздушного шума
Нет
Камин
Нет
Класс энергоэффективности
-
Класс энергосбережения
-
Количество надземных этажей
1
Круглогодичное проживание
Да
Материал кровли
Металлочерепица
Материал перекрытий
Деревянные
Материал внешних стен
Материал внутренних перегородок
Кирпичные
Модульное строительство с конструкциями заводского изготовления
Нет
Объем надземной части
270 м3
Основной материал фасадов
Облицовочный кирпич
Отопление
Индивидуальное
Площадь дома
43 м2
Площадь застройки
55 м2
Подвальное помещение
Нет
Показатель компактности здания
-
Приборы учета тепловой энергии
Да
Пристроенный гараж/крытая автостоянка
Нет
Противопожарная система
Нет
Санузлы
1
Совмещенная кухня-гостиная
Да
Спальни
1
Терраса
Нет
Тип фундамента
Ленточный
Толщина внешних стен
380 мм
Толщина внутренних перегородок
120 мм
Улучшенные шумовые характеристики
Да
Вентиляция
Система кондиционирования
Веранда
Нет
Водоотведение
Локальные очистные сооружения
Водоснабжение
Центральное
Высота дома
5.55 м
Высота потолков
3 м

Планировка

Фасад дома

Александр

Закажите выезд инженера

Александр

Выездной инженер
Закажите выезд инженера для точной диагностики и профессиональной консультации по инженерным системам. Специалист приедет в удобное время, проведёт осмотр, рассчитает стоимость работ и подберёт оптимальные решения для вашего дома.


    Похожие проекты

    Ипотека и
    рассрочка
    ИЖД Ягодка
    Стоимость от:
    8 474 400
    Проект от: 54 000
    Этажей 1
    Санузлы 3
    Спальни 3
    Смотреть
    Ипотека и
    рассрочка
    Загородный дом Союз-1
    Стоимость от:
    4 811 180
    Проект от: 34 200
    Этажей 1
    Санузлы 1
    Спальни 2
    Смотреть
    Ипотека и
    рассрочка
    Двухэтажный дом хайтек С-1
    Стоимость от:
    10 982 400
    Проект от: 72 000
    Этажей 2
    Санузлы 3
    Спальни 3
    Смотреть
    Ипотека и
    рассрочка
    Шервуд 72
    Стоимость от:
    3 836 745
    Проект от: 31 050
    Этажей 1
    Санузлы 1
    Спальни 2
    Смотреть
    Ипотека и
    рассрочка
    Дом в сосновом бору
    Стоимость от:
    14 313 200
    Проект от: 81 000
    Этажей 1
    Санузлы 2
    Спальни 3
    Смотреть
    Ипотека и
    рассрочка
    Проект загородного дома NHD-136
    Стоимость от:
    7 527 360
    Проект от: 46 800
    Этажей 2
    Санузлы 2
    Спальни 4
    Смотреть

    Как узнать стоимость дома

    back
    Оставляете заявку
    Вы заполняете форму на сайте или звоните нам. Менеджер Лайвкрафт связывается с вами для уточнения деталей: тип дома, площадь, материалы, участок строительства.
    back
    Консультация и подбор решения
    Наш специалист помогает выбрать оптимальный тип дома и конструкцию с учётом бюджета, сроков и целей — будь то дом для постоянного проживания или дача.
    back
    Расчёт предварительной стоимости
    Инженер делает первичный расчёт стоимости строительства по вашим параметрам: фундамент, коробка, кровля, отделка. Вы получаете смету с разбивкой по этапам.
    back
    Корректировка и утверждение сметы
    При необходимости вносим изменения — например, замену материалов или сокращение этапов. После согласования формируется окончательная фиксированная смета.
    back
    Заключение договора и старт работ
    После утверждения сметы заключаем официальный договор с гарантией. Вы получаете прозрачный график и точную стоимость — без скрытых расходов.

    Заказать конусльтацию по:Дом 9,2х6

    Фото 1 Дом 9,2х6


      Наши
      контакты

      Дмитров
      Опорный проезд 28Б
      (индустриальный парк Ниагара)
      9:00 до 18:00

      Корзина