4.9
Рейтинг на основании 120 отзывов
Дмитров
Опорный проезд 28Б
(индустриальный парк Ниагара)
Бренд "Дмитров-Дело" c 2008 года на рынке строительства в Дмитрове
Звоните 9:00 до 18:00 8 (915) 055-33-61
Бренд "Дмитров-Дело" c 2008 года на рынке строительства в Дмитрове

Дом ГД-909

Стоимость проекта от:
11 700 ₽
БЕСПЛАТНО! ПРИ ЗАКАЗЕ СТРОИТЕЛЬСТВА
Стоимость строительства от:
1 645 930 ₽
Артикул ART-17888
Дата 26.12.2025
Архитектурный стиль Классический
Количество надземных этажей 1
Круглогодичное проживание Да
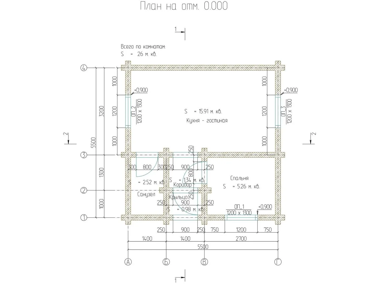
Площадь дома 26 м2
Санузлы 1
Спальни 1

Описание

Дом ГД‑909 – это настоящий уголок уюта и спокойствия, созданный для тех, кто ценит сочетание классической гармонии и практичной простоты. На одной высотной планке располагается просторная, светлая площадка с широкими окнами, откуда открываются виды на аккуратно заостренный пейзаж. Экологичные профилированные брусовые стены придают дому теплоту и устойчивость, а четырёхскатная (вальмовая) крыша укрывает пространство от любых погодных капризов, обеспечивая надёжную защиты даже в самые суровые зимы и жаркие летние дни. Внутри ощущается лёгкая, но изысканная элегантность классической архитектуры: высокие потолки, утончённые фронтоны и изыски отделки создают атмосферу уюта и благородства. Просторные комнаты, наполненные естественным светом, словно ждут ваших семейных историй. Отсутствие балконов, веранд и других лишних конструкций позволяет сосредоточиться на удобстве и простоте: вы не будете отвлекаться на уход за наружным пространством, а каждая деталь дома станет вашим личным гостеприимством. Дом ГД‑909 – это место, где каждый день начинается и заканчивается в гармонии с природой. Он подчеркивает ваш вкус к классическим формам и обещает непревзойдённый комфорт, создавая идеальный дом для всей семьи. Присоединитесь к рядам тех, кто уже нашёл идеальное сочетание стиля и практичности в нашем новом доме.

Характеристики дома

Архитектурный стиль
Автоматизированное регулирование параметров теплоносителя
Нет
Балконы/лоджии
Отсутствуют
Чердачное помещение
Нет
Датчики протечки воды
Нет
Эксплуатируемая или зеленая кровля
Нет
Электроснабжение
Индивидуальное
Газоснабжение
Не предусмотрено
Изоляция воздушного шума
Нет
Камин
Нет
Класс энергоэффективности
-
Класс энергосбережения
-
Количество надземных этажей
1
Круглогодичное проживание
Да
Материал кровли
Металлочерепица
Материал перекрытий
Деревянные
Материал внешних стен
Материал внутренних перегородок
Деревянные
Модульное строительство с конструкциями заводского изготовления
Нет
Объем надземной части
101 м3
Основной материал фасадов
Дерево
Отопление
Индивидуальное
Площадь дома
26 м2
Площадь застройки
32 м2
Подвальное помещение
Нет
Показатель компактности здания
-
Приборы учета тепловой энергии
Нет
Пристроенный гараж/крытая автостоянка
Нет
Противопожарная система
Нет
Санузлы
1
Совмещенная кухня-гостиная
Да
Спальни
1
Терраса
Нет
Тип фундамента
Свайно-винтовой
Толщина внешних стен
190 мм
Толщина внутренних перегородок
190 мм
Улучшенные шумовые характеристики
Нет
Вентиляция
Естественная
Веранда
Нет
Водоотведение
Локальные очистные сооружения
Водоснабжение
Индивидуальное
Высота дома
3.9 м
Высота потолков
2.4 м

Планировка

Фасад дома

Александр

Закажите выезд инженера

Александр

Выездной инженер
Закажите выезд инженера для точной диагностики и профессиональной консультации по инженерным системам. Специалист приедет в удобное время, проведёт осмотр, рассчитает стоимость работ и подберёт оптимальные решения для вашего дома.


    Похожие проекты

    Ипотека и
    рассрочка
    Одноэтажный дом «Пасха»
    Стоимость от:
    12 691 580
    Проект от: 76 050
    Этажей 1
    Санузлы 3
    Спальни 2
    Смотреть
    Ипотека и
    рассрочка
    Модульный дом FL 65 (ТИ65)
    Стоимость от:
    5 019 300
    Проект от: 40 500
    Этажей 1
    Санузлы 1
    Спальни 2
    Смотреть
    Ипотека и
    рассрочка
    Садовод 7х9
    Стоимость от:
    3 237 080
    Проект от: 25 200
    Этажей 1
    Санузлы 1
    Спальни 2
    Смотреть
    Ипотека и
    рассрочка
    Мансардный дом «Пилион 1.0»
    Стоимость от:
    6 781 680
    Проект от: 43 650
    Этажей 2
    Санузлы 2
    Спальни 3
    Смотреть
    Ипотека и
    рассрочка
    Барн
    Стоимость от:
    15 022 800
    Проект от: 96 750
    Этажей 2
    Санузлы 3
    Спальни 3
    Смотреть
    Ипотека и
    рассрочка
    Дом с антресолью площадью 75,2 кв.м
    Стоимость от:
    5 245 200
    Проект от: 33 750
    Этажей 2
    Санузлы 1
    Спальни 1
    Смотреть

    Как узнать стоимость дома

    back
    Оставляете заявку
    Вы заполняете форму на сайте или звоните нам. Менеджер Лайвкрафт связывается с вами для уточнения деталей: тип дома, площадь, материалы, участок строительства.
    back
    Консультация и подбор решения
    Наш специалист помогает выбрать оптимальный тип дома и конструкцию с учётом бюджета, сроков и целей — будь то дом для постоянного проживания или дача.
    back
    Расчёт предварительной стоимости
    Инженер делает первичный расчёт стоимости строительства по вашим параметрам: фундамент, коробка, кровля, отделка. Вы получаете смету с разбивкой по этапам.
    back
    Корректировка и утверждение сметы
    При необходимости вносим изменения — например, замену материалов или сокращение этапов. После согласования формируется окончательная фиксированная смета.
    back
    Заключение договора и старт работ
    После утверждения сметы заключаем официальный договор с гарантией. Вы получаете прозрачный график и точную стоимость — без скрытых расходов.

    Заказать конусльтацию по:Дом ГД-909

    Фото 1 Дом ГД-909


      Наши
      контакты

      Дмитров
      Опорный проезд 28Б
      (индустриальный парк Ниагара)
      9:00 до 18:00

      Корзина