Двухэтажный дом Бэргэн
Описание
Характеристики дома
Архитектурный стиль
Автоматизированное регулирование параметров теплоносителя
Нет
Балконы/лоджии
Отсутствуют
Чердачное помещение
Нет
Датчики протечки воды
Нет
Эксплуатируемая или зеленая кровля
Нет
Электроснабжение
Центральное
Газоснабжение
Не предусмотрено
Изоляция воздушного шума
Нет
Камин
Нет
Класс энергоэффективности
-
Класс энергосбережения
-
Количество надземных этажей
2
Круглогодичное проживание
Да
Материал кровли
Металлочерепица
Материал перекрытий
Деревянные
Материал внешних стен
Материал внутренних перегородок
Деревянные
Модульное строительство с конструкциями заводского изготовления
Нет
Объем надземной части
480 м3
Основной материал фасадов
Дерево
Отопление
Индивидуальное
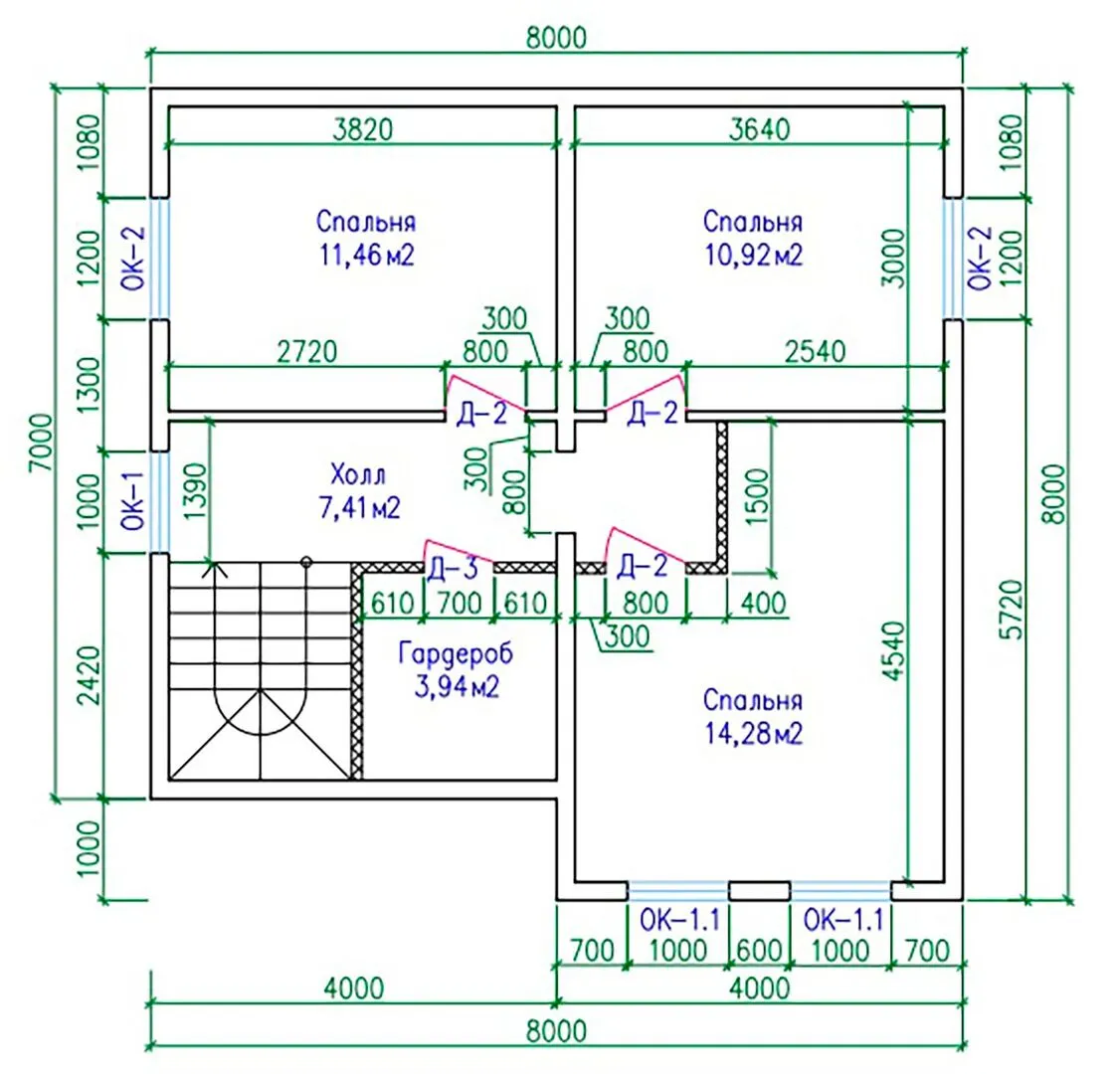
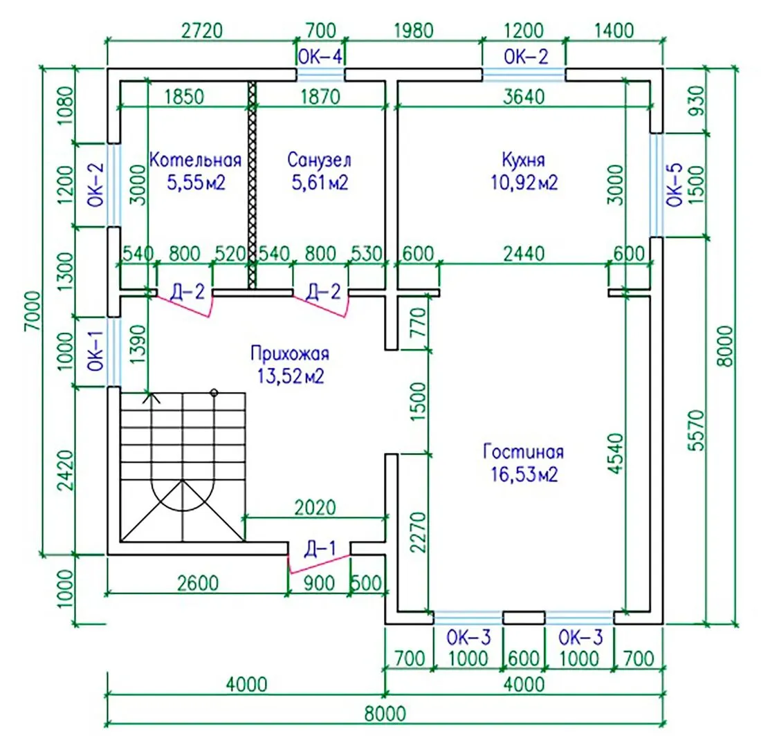
Площадь дома
100 м2
Площадь застройки
60 м2
Подвальное помещение
Нет
Показатель компактности здания
-
Приборы учета тепловой энергии
Нет
Пристроенный гараж/крытая автостоянка
Нет
Противопожарная система
Нет
Санузлы
1
Совмещенная кухня-гостиная
Да
Спальни
3
Терраса
Нет
Тип фундамента
Плитный
Тип кровли
Толщина внешних стен
180 мм
Толщина внутренних перегородок
100 мм
Улучшенные шумовые характеристики
Нет
Вентиляция
Естественная
Веранда
Нет
Водоотведение
Локальные очистные сооружения
Водоснабжение
Индивидуальное
Высота дома
8 м
Высота потолков
2.7 м
Категории проекта
Строительство двухэтажных домовСтроительство домовСтроительство домов без балкона или лоджииСтроительство домов без верандыСтроительство домов без гаражаСтроительство домов без террасыСтроительство домов без чердакаСтроительство домов в Русском стилеСтроительство домов для круглогодичного проживанияСтроительство домов из пиленого брусаСтроительство домов с верандойСтроительство домов с двускатной крышей
Закажите выезд инженера
Александр
Выездной инженер
Закажите выезд инженера для точной диагностики и профессиональной консультации по инженерным
системам. Специалист приедет в удобное время, проведёт осмотр, рассчитает стоимость работ и подберёт
оптимальные решения для вашего дома.
Как узнать стоимость дома
Заказать конусльтацию по:Двухэтажный дом Бэргэн
Наши
контакты
Дмитров
Опорный проезд 28Б
(индустриальный парк Ниагара)
Опорный проезд 28Б
(индустриальный парк Ниагара)
9:00 до 18:00