4.9
Рейтинг на основании 120 отзывов
Дмитров
Опорный проезд 28Б
(индустриальный парк Ниагара)
Бренд "Дмитров-Дело" c 2008 года на рынке строительства в Дмитрове
Звоните 9:00 до 18:00 8 (915) 055-33-61
Бренд "Дмитров-Дело" c 2008 года на рынке строительства в Дмитрове

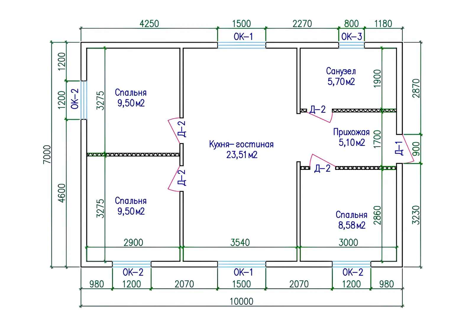
Одноэтажный дом 7х10

Стоимость проекта от:
27 450 ₽
БЕСПЛАТНО! ПРИ ЗАКАЗЕ СТРОИТЕЛЬСТВА
Стоимость строительства от:
4 862 220 ₽
Артикул ART-14608
Дата 25.12.2025
Архитектурный стиль Классический
Количество надземных этажей 1
Круглогодичное проживание Да
Площадь дома 61 м2
Санузлы 1
Спальни 3

Описание

В сердце живописного уголка, где природа встречается с комфортом, находится элегантный одноэтажный дом 7 × 10 м, созданный в истинном классическом стиле. Его панель из пиленого бруса излучает теплоту и долговечность, а двускатная крыша придаёт фасаду нотки традиционной изысканности. Просторные комнаты, залитые естественным светом, располагают к уюту и безмятежности, в то время как отсутствие балконов и веранд подчёркивает внутреннее гармоничное пространство. Идеально подходит для круглогодичного проживания, этот дом сочетает в себе функциональность и эстетическую привлекательность. Внутри встречаются открытая кухня и гостевая зона, где каждый уголок предлагает свободу перемещаться и создавать свои личные воспоминания. Удобные внутренние проходы, мягкие оттенки интерьера и качественная отделка делают этот дом простором, где можно отдохнуть после трудного дня и почувствовать, что вы находитесь дома. Сделайте шаг навстречу комфортной жизни, выбрав этот уютный шедевр, где классический стиль встречается с современными удобствами. Позвольте себе и своей семье наслаждаться каждым мгновением, проведённым в тёплом, светлом, приятном окружении. Не упустите шанс стать владельцем идеального дома вашего будущего.

Характеристики дома

Архитектурный стиль
Автоматизированное регулирование параметров теплоносителя
Нет
Балконы/лоджии
Отсутствуют
Чердачное помещение
Нет
Датчики протечки воды
Нет
Эксплуатируемая или зеленая кровля
Нет
Электроснабжение
Индивидуальное
Газоснабжение
Индивидуальное
Изоляция воздушного шума
Нет
Камин
Нет
Класс энергоэффективности
-
Класс энергосбережения
-
Количество надземных этажей
1
Круглогодичное проживание
Да
Материал кровли
Металлочерепица
Материал перекрытий
Деревянные
Материал внешних стен
Материал внутренних перегородок
Деревянные
Модульное строительство с конструкциями заводского изготовления
Нет
Объем надземной части
420 м3
Основной материал фасадов
Дерево
Отопление
Индивидуальное
Площадь дома
61 м2
Площадь застройки
70 м2
Подвальное помещение
Нет
Показатель компактности здания
-
Приборы учета тепловой энергии
Нет
Пристроенный гараж/крытая автостоянка
Нет
Противопожарная система
Нет
Санузлы
1
Совмещенная кухня-гостиная
Да
Спальни
3
Терраса
Нет
Тип фундамента
Ленточный
Тип кровли
Толщина внешних стен
180 мм
Толщина внутренних перегородок
100 мм
Улучшенные шумовые характеристики
Нет
Вентиляция
Естественная
Веранда
Нет
Водоотведение
Локальные очистные сооружения
Водоснабжение
Индивидуальное
Высота дома
6 м
Высота потолков
2.7 м

Планировка

Фасад дома

Александр

Закажите выезд инженера

Александр

Выездной инженер
Закажите выезд инженера для точной диагностики и профессиональной консультации по инженерным системам. Специалист приедет в удобное время, проведёт осмотр, рассчитает стоимость работ и подберёт оптимальные решения для вашего дома.


    Похожие проекты

    Ипотека и
    рассрочка
    Двухэтажный дом с витражом из арболита с вторым светом
    Стоимость от:
    15 040 320
    Проект от: 93 600
    Этажей 2
    Санузлы 2
    Спальни 3
    Смотреть
    Ипотека и
    рассрочка
    Двухэтажный дом 140 кв.м.
    Стоимость от:
    10 468 800
    Проект от: 63 000
    Этажей 2
    Санузлы 2
    Спальни 4
    Смотреть
    Ипотека и
    рассрочка
    Проект жилого 2-х этажного дома
    Стоимость от:
    13 733 520
    Проект от: 86 850
    Этажей 2
    Санузлы 1
    Спальни 4
    Смотреть
    Ипотека и
    рассрочка
    Каркасный дом в стиле Барн СК-100
    Стоимость от:
    6 461 400
    Проект от: 49 500
    Этажей 2
    Санузлы 2
    Спальни 4
    Смотреть
    Ипотека и
    рассрочка
    КБД 356
    Стоимость от:
    6 708 900
    Проект от: 42 750
    Этажей 1
    Санузлы 2
    Спальни 3
    Смотреть
    Ипотека и
    рассрочка
    Проект Одноэтажный дом Колибри-46
    Стоимость от:
    3 248 520
    Проект от: 20 700
    Этажей 1
    Санузлы 1
    Спальни 1
    Смотреть

    Как узнать стоимость дома

    back
    Оставляете заявку
    Вы заполняете форму на сайте или звоните нам. Менеджер Лайвкрафт связывается с вами для уточнения деталей: тип дома, площадь, материалы, участок строительства.
    back
    Консультация и подбор решения
    Наш специалист помогает выбрать оптимальный тип дома и конструкцию с учётом бюджета, сроков и целей — будь то дом для постоянного проживания или дача.
    back
    Расчёт предварительной стоимости
    Инженер делает первичный расчёт стоимости строительства по вашим параметрам: фундамент, коробка, кровля, отделка. Вы получаете смету с разбивкой по этапам.
    back
    Корректировка и утверждение сметы
    При необходимости вносим изменения — например, замену материалов или сокращение этапов. После согласования формируется окончательная фиксированная смета.
    back
    Заключение договора и старт работ
    После утверждения сметы заключаем официальный договор с гарантией. Вы получаете прозрачный график и точную стоимость — без скрытых расходов.

    Заказать конусльтацию по:Одноэтажный дом 7х10

    Фото 1 Одноэтажный дом 7х10


      Наши
      контакты

      Дмитров
      Опорный проезд 28Б
      (индустриальный парк Ниагара)
      9:00 до 18:00

      Корзина