Одноэтажный каменный дом «Астория»
Описание
Характеристики дома
Архитектурный стиль
Автоматизированное регулирование параметров теплоносителя
Нет
Балконы/лоджии
Отсутствуют
Чердачное помещение
Нет
Датчики протечки воды
Нет
Эксплуатируемая или зеленая кровля
Нет
Электроснабжение
Центральное
Газоснабжение
Не предусмотрено
Изоляция воздушного шума
Нет
Камин
Нет
Класс энергоэффективности
-
Класс энергосбережения
-
Количество надземных этажей
1
Круглогодичное проживание
Да
Материал кровли
Битумная черепица
Материал перекрытий
Деревянные
Материал внешних стен
Материал внутренних перегородок
Блочные
Модульное строительство с конструкциями заводского изготовления
Нет
Объем надземной части
481 м3
Основной материал фасадов
Облицовочный кирпич
Отопление
Индивидуальное
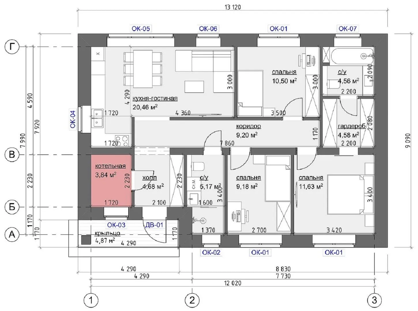
Площадь дома
83 м2
Площадь застройки
121 м2
Подвальное помещение
Нет
Показатель компактности здания
-
Приборы учета тепловой энергии
Нет
Пристроенный гараж/крытая автостоянка
Нет
Противопожарная система
Нет
Санузлы
2
Совмещенная кухня-гостиная
Да
Спальни
3
Терраса
Нет
Тип фундамента
Плитный
Тип кровли
Толщина внешних стен
300 мм
Толщина внутренних перегородок
120 мм
Улучшенные шумовые характеристики
Нет
Вентиляция
Естественная
Веранда
Нет
Водоотведение
Локальные очистные сооружения
Водоснабжение
Индивидуальное
Высота дома
5.75 м
Высота потолков
3.1 м
Категории проекта
Строительство домовСтроительство домов без балкона или лоджииСтроительство домов без верандыСтроительство домов без гаражаСтроительство домов без террасыСтроительство домов без чердакаСтроительство домов в Классическом стилеСтроительство домов для круглогодичного проживанияСтроительство домов из газобетонных блоковСтроительство домов с верандойСтроительство домов с четырехскатной (вальмовой) кровлейСтроительство одноэтажных домов
Закажите выезд инженера
Александр
Выездной инженер
Закажите выезд инженера для точной диагностики и профессиональной консультации по инженерным
системам. Специалист приедет в удобное время, проведёт осмотр, рассчитает стоимость работ и подберёт
оптимальные решения для вашего дома.
Как узнать стоимость дома
Заказать конусльтацию по:Одноэтажный каменный дом «Астория»
Наши
контакты
Дмитров
Опорный проезд 28Б
(индустриальный парк Ниагара)
Опорный проезд 28Б
(индустриальный парк Ниагара)
9:00 до 18:00