4.9
Рейтинг на основании 120 отзывов
Дмитров
Опорный проезд 28Б
(индустриальный парк Ниагара)
Бренд "Дмитров-Дело" c 2008 года на рынке строительства в Дмитрове
Звоните 9:00 до 18:00 8 (915) 055-33-61
Бренд "Дмитров-Дело" c 2008 года на рынке строительства в Дмитрове

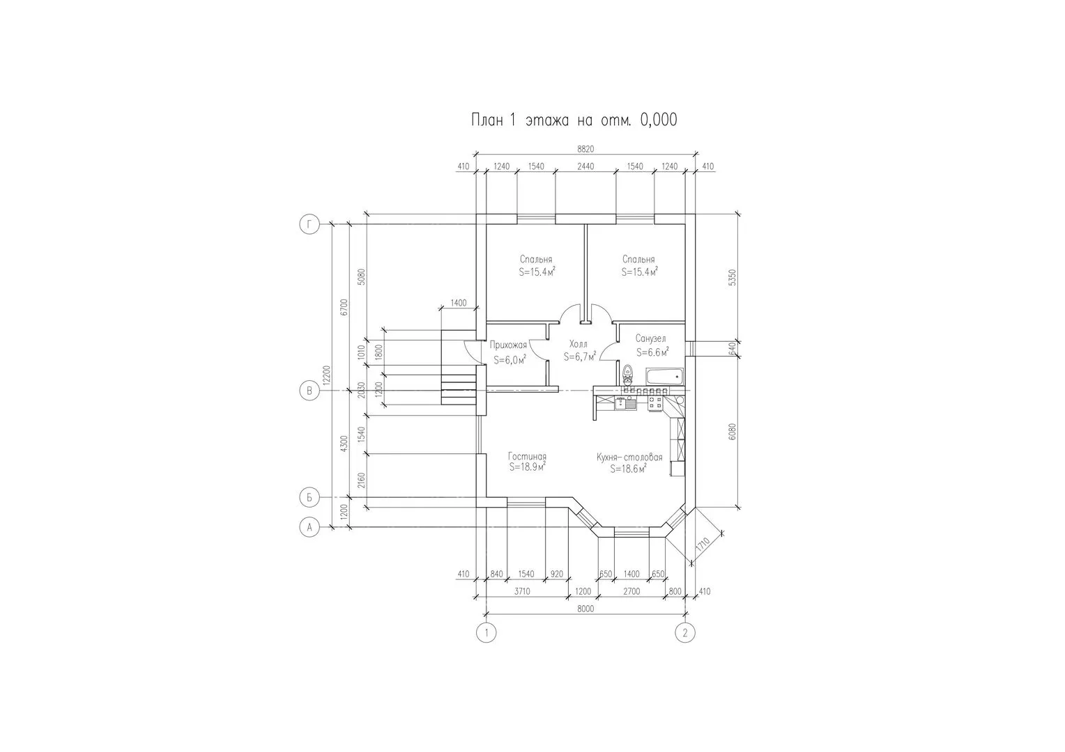
Загородный дом площадью 87,6 м2

Стоимость проекта от:
39 150 ₽
БЕСПЛАТНО! ПРИ ЗАКАЗЕ СТРОИТЕЛЬСТВА
Стоимость строительства от:
6 927 140 ₽
Артикул ART-15346
Дата 25.12.2025
Архитектурный стиль Классический
Количество надземных этажей 1
Круглогодичное проживание Да
Площадь дома 87 м2
Санузлы 1
Спальни 2

Описание

Вдали от шума городского серца, среди тихой зелёной природы, вы найдёте идеальный уголок для семейного уюта – классический загородный дом площадью 87,6 м², открывающий просторы ровного года. Просторная планировка одного этажа позволяет легко адаптировать пространство под современные требования: здесь создаётся ощущение тепла и комфорта, а классический интерьер придаёт вашему дому неповторимый шарм и элегантность. Дом идеально подходит для тех, кто ценит благородный стиль и практичность — от просторной гостиной с камином до уютных рабочих уголков, где за день вы сможете расслабиться после активного дня. Особенности этого дома подчёркивают его целостность и уют. Кирпичные внешние стены несут тепло и долгосрочную прочность, а четырёхскатная (вальмовая) крыша гармонично вписывается в традиционный образ. Отсутствие балконов, террас и дополнительных пристроек говорит о том, что все внимание уделено внутреннему уюту: приёмные места, мастерская, обеденная зона – всё это соединено в одну целостную структуру. А наличие чердачного помещения даёт вам возможность расширить функциональное пространство: хранить вещи, приучить детей к рукоделию или превратить в мини‑офис, который будет служить долгие годы. Если вы мечтаете о спокойном месте, где каждое мгновение сопровождается ароматом свежей зелени и звуком уединения, этот дом создаст идеальные условия для семейного счастья. Без лишних конструкций, без лишних шума, только классика, уют и возможность строить воспоминания, которые будут жить в вашем сердце на протяжении многих лет.

Характеристики дома

Архитектурный стиль
Автоматизированное регулирование параметров теплоносителя
Нет
Балконы/лоджии
Отсутствуют
Чердачное помещение
Да
Датчики протечки воды
Нет
Эксплуатируемая или зеленая кровля
Нет
Электроснабжение
Центральное
Газоснабжение
Центральное
Изоляция воздушного шума
Нет
Камин
Нет
Класс энергоэффективности
-
Класс энергосбережения
-
Количество надземных этажей
1
Круглогодичное проживание
Да
Материал кровли
Металлочерепица
Материал перекрытий
Деревянные
Материал внешних стен
Материал внутренних перегородок
Кирпичные
Модульное строительство с конструкциями заводского изготовления
Нет
Объем надземной части
507 м3
Основной материал фасадов
Облицовочный кирпич
Отопление
Индивидуальное
Площадь дома
87 м2
Площадь застройки
113 м2
Подвальное помещение
Нет
Показатель компактности здания
-
Приборы учета тепловой энергии
Нет
Пристроенный гараж/крытая автостоянка
Нет
Противопожарная система
Нет
Санузлы
1
Совмещенная кухня-гостиная
Да
Спальни
2
Терраса
Нет
Тип фундамента
Ленточный
Толщина внешних стен
410 мм
Толщина внутренних перегородок
120 мм
Улучшенные шумовые характеристики
Нет
Вентиляция
Естественная
Веранда
Нет
Водоотведение
Локальные очистные сооружения
Водоснабжение
Центральное
Высота дома
5.65 м
Высота потолков
3.1 м

Планировка

Фасад дома

Александр

Закажите выезд инженера

Александр

Выездной инженер
Закажите выезд инженера для точной диагностики и профессиональной консультации по инженерным системам. Специалист приедет в удобное время, проведёт осмотр, рассчитает стоимость работ и подберёт оптимальные решения для вашего дома.


    Похожие проекты

    Ипотека и
    рассрочка
    ПРОЕКТ А013
    Стоимость от:
    4 589 420
    Проект от: 27 450
    Этажей 1
    Санузлы 1
    Спальни 2
    Смотреть
    Ипотека и
    рассрочка
    Двухэтажный дом с гаражом. 34-19КД
    Стоимость от:
    10 487 760
    Проект от: 71 550
    Этажей 2
    Санузлы 2
    Спальни 4
    Смотреть
    Ипотека и
    рассрочка
    K 1-130
    Стоимость от:
    9 615 760
    Проект от: 57 600
    Этажей 1
    Санузлы 2
    Спальни 3
    Смотреть
    Ипотека и
    рассрочка
    Глостер
    Стоимость от:
    6 782 490
    Проект от: 52 650
    Этажей 1
    Санузлы 2
    Спальни 3
    Смотреть
    Ипотека и
    рассрочка
    Загородный дом «Тульский»
    Стоимость от:
    6 991 380
    Проект от: 44 550
    Этажей 1
    Санузлы 2
    Спальни 3
    Смотреть
    Ипотека и
    рассрочка
    NODO- 96. Одноэтажный кирпичный дом
    Стоимость от:
    8 865 560
    Проект от: 53 100
    Этажей 1
    Санузлы 2
    Спальни 3
    Смотреть

    Как узнать стоимость дома

    back
    Оставляете заявку
    Вы заполняете форму на сайте или звоните нам. Менеджер Лайвкрафт связывается с вами для уточнения деталей: тип дома, площадь, материалы, участок строительства.
    back
    Консультация и подбор решения
    Наш специалист помогает выбрать оптимальный тип дома и конструкцию с учётом бюджета, сроков и целей — будь то дом для постоянного проживания или дача.
    back
    Расчёт предварительной стоимости
    Инженер делает первичный расчёт стоимости строительства по вашим параметрам: фундамент, коробка, кровля, отделка. Вы получаете смету с разбивкой по этапам.
    back
    Корректировка и утверждение сметы
    При необходимости вносим изменения — например, замену материалов или сокращение этапов. После согласования формируется окончательная фиксированная смета.
    back
    Заключение договора и старт работ
    После утверждения сметы заключаем официальный договор с гарантией. Вы получаете прозрачный график и точную стоимость — без скрытых расходов.

    Заказать конусльтацию по:Загородный дом площадью 87,6 м2

    Фото 1 Загородный дом площадью 87,6 м2


      Наши
      контакты

      Дмитров
      Опорный проезд 28Б
      (индустриальный парк Ниагара)
      9:00 до 18:00

      Корзина