4.9
Рейтинг на основании 120 отзывов
Дмитров
Опорный проезд 28Б
(индустриальный парк Ниагара)
Бренд "Дмитров-Дело" c 2008 года на рынке строительства в Дмитрове
Звоните 9:00 до 18:00 8 (915) 055-33-61
Бренд "Дмитров-Дело" c 2008 года на рынке строительства в Дмитрове

Проект загородного дома NHD-172

Стоимость проекта от:
53 550 ₽
Стоимость строительства от:
8 940 580 ₽
Артикул ART-14508
Дата 25.12.2025
Архитектурный стиль Классический
Количество надземных этажей 1
Круглогодичное проживание Да
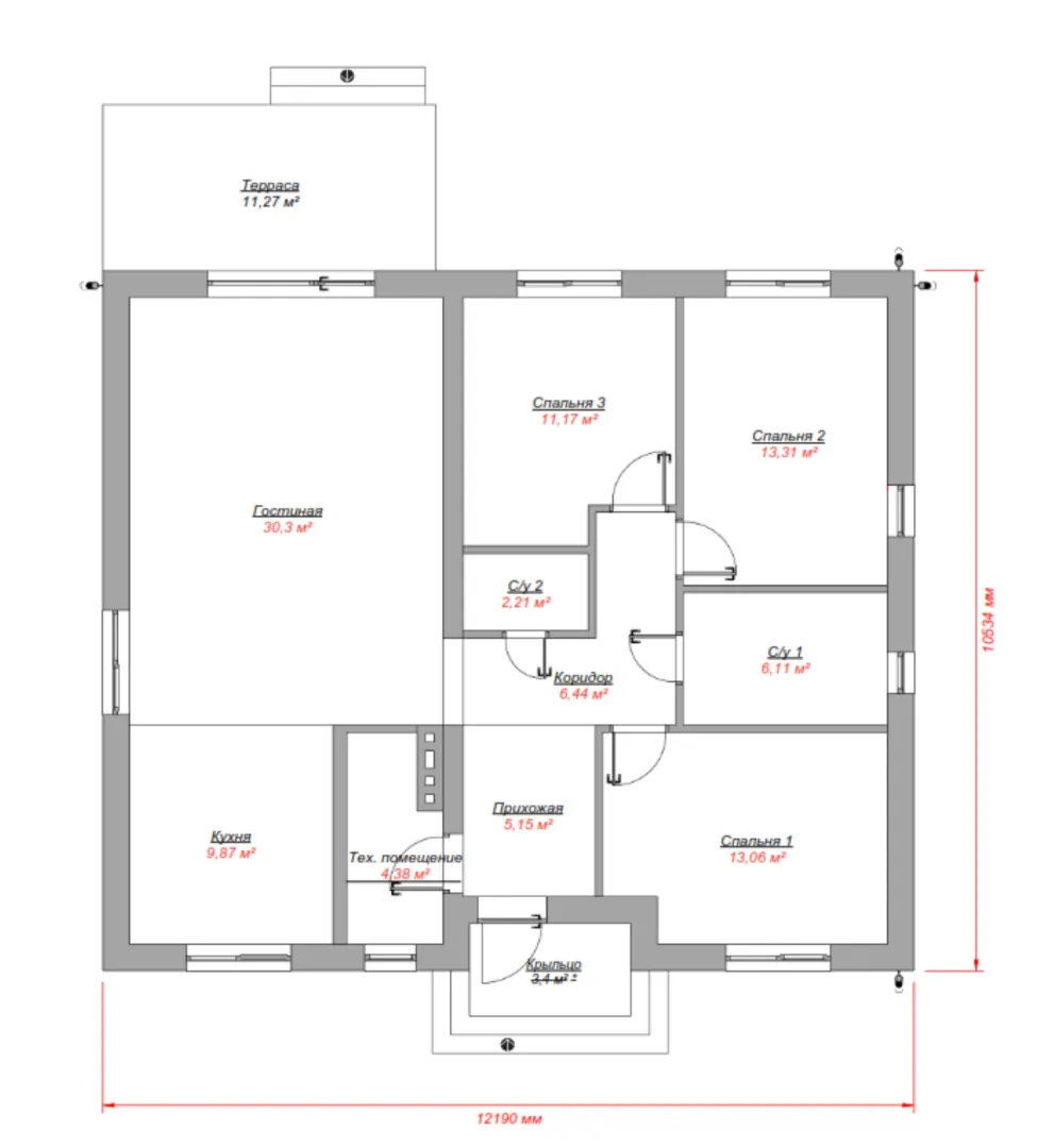
Площадь дома 119 м2
Санузлы 2
Спальни 3

Описание

На горизонте появляется загородный дом **NHD‑172** – воплощение гармоничного классического стиля, задуманный для тех, кто ценит уют и безмятежность. Площадь ровного плана, без лишнего загромождения, позволяет насладиться простыми, но высококачественными материалами: наружные стены из газобетонных блоков дарят отличную тепло- и звукоизоляцию, а четырёшкатный (вальмовой) крыша срезает любой шторм и придаёт элегантный вид. Дом рассчитан на круглогодичное проживание – в любой сезон здесь будет тепло, а просторы – просторны и светлые. Терраса, продолжающая внутреннее пространство на свежем воздухе, создаёт идеальное место для прогулок, барбекю или просто наблюдения за звёздами. Чердачное помещение открывает дополнительные возможности для творчества, хранения вещей или расширения жилого пространства. Удобное расположение без прилагаемых гаражей и веранд делает этот дом идеальным выбором для тех, кто ищет простоту, но не готов мириться с уменьшением комфорта. **NHD‑172** – это классика, надежность и практичность в одном, готовом подарить вам бесконечные минуты уюта.

Характеристики дома

Архитектурный стиль
Классический
Автоматизированное регулирование параметров теплоносителя
Да
Балконы/лоджии
Отсутствуют
Чердачное помещение
Да
Датчики протечки воды
Нет
Эксплуатируемая или зеленая кровля
Нет
Электроснабжение
Центральное
Газоснабжение
Центральное
Изоляция воздушного шума
Да
Камин
Нет
Класс энергоэффективности
A++
Класс энергосбережения
A++
Количество надземных этажей
1
Круглогодичное проживание
Да
Материал кровли
Металлочерепица
Материал перекрытий
Сборные железобетонные предварительно напряженные пустотные плиты
Материал внешних стен
Газобетонные блоки
Материал внутренних перегородок
Блочные
Модульное строительство с конструкциями заводского изготовления
Нет
Объем надземной части
834 м3
Основной материал фасадов
Штукатурка
Отопление
Индивидуальное
Площадь дома
119 м2
Площадь застройки
167 м2
Подвальное помещение
Нет
Показатель компактности здания
1
Приборы учета тепловой энергии
Да
Пристроенный гараж/крытая автостоянка
Нет
Противопожарная система
Нет
Санузлы
2
Совмещенная кухня-гостиная
Да
Спальни
3
Терраса
Да
Тип фундамента
Свайно-ростверковый
Тип кровли
Четырехскатная (вальмовая)
Толщина внешних стен
400 мм
Толщина внутренних перегородок
100 мм
Улучшенные шумовые характеристики
Да
Вентиляция
Естественная
Веранда
Нет
Водоотведение
Локальные очистные сооружения
Водоснабжение
Индивидуальное
Высота дома
6.5 м
Высота потолков
2.8 м

Планировка

Фасад дома

Александр

Закажите выезд инженера

Александр

Выездной инженер
Закажите выезд инженера для точной диагностики и профессиональной консультации по инженерным системам. Специалист приедет в удобное время, проведёт осмотр, рассчитает стоимость работ и подберёт оптимальные решения для вашего дома.


    Похожие проекты

    Ипотека и
    рассрочка
    Проект дома 100 м.кв 3 спальни НД-М17 из газобетона
    Стоимость от:
    242 000
    Проект от: 45 000
    Этажей 1
    Санузлы 2
    Спальни 3
    Смотреть
    Ипотека и
    рассрочка
    КЛ-102МУС
    Стоимость от:
    7 665 240
    Проект от: 45 900
    Этажей 1
    Санузлы 2
    Спальни 3
    Смотреть
    Ипотека и
    рассрочка
    Загородный дом ПСК-116
    Стоимость от:
    7 107 320
    Проект от: 52 200
    Этажей 1
    Санузлы 2
    Спальни 3
    Смотреть
    Ипотека и
    рассрочка
    Уютный загородный дом П-80.24
    Стоимость от:
    6 227 040
    Проект от: 38 700
    Этажей 2
    Санузлы 1
    Спальни 3
    Смотреть
    Ипотека и
    рассрочка
    БарнХаус — КМ61
    Стоимость от:
    4 851 990
    Проект от: 39 150
    Этажей 1
    Санузлы 1
    Спальни 3
    Смотреть
    Ипотека и
    рассрочка
    Альпийская Панорама
    Стоимость от:
    17 342 820
    Проект от: 103 950
    Этажей 1
    Санузлы 2
    Спальни 5
    Смотреть

    Как узнать стоимость дома

    back
    Оставляете заявку
    Вы заполняете форму на сайте или звоните нам. Менеджер Лайвкрафт связывается с вами для уточнения деталей: тип дома, площадь, материалы, участок строительства.
    back
    Консультация и подбор решения
    Наш специалист помогает выбрать оптимальный тип дома и конструкцию с учётом бюджета, сроков и целей — будь то дом для постоянного проживания или дача.
    back
    Расчёт предварительной стоимости
    Инженер делает первичный расчёт стоимости строительства по вашим параметрам: фундамент, коробка, кровля, отделка. Вы получаете смету с разбивкой по этапам.
    back
    Корректировка и утверждение сметы
    При необходимости вносим изменения — например, замену материалов или сокращение этапов. После согласования формируется окончательная фиксированная смета.
    back
    Заключение договора и старт работ
    После утверждения сметы заключаем официальный договор с гарантией. Вы получаете прозрачный график и точную стоимость — без скрытых расходов.

    Заказать конусльтацию по:Проект загородного дома NHD-172

    Фото 1 Проект загородного дома NHD-172


      Наши
      контакты

      Дмитров
      Опорный проезд 28Б
      (индустриальный парк Ниагара)
      9:00 до 18:00