4.9
Рейтинг на основании 120 отзывов
Дмитров
Опорный проезд 28Б
(индустриальный парк Ниагара)
Бренд "Дмитров-Дело" c 2008 года на рынке строительства в Дмитрове
Звоните 9:00 до 18:00 8 (915) 055-33-61
Бренд "Дмитров-Дело" c 2008 года на рынке строительства в Дмитрове

Проект загородного дома NHD-162

Стоимость проекта от:
99 900 ₽
БЕСПЛАТНО! ПРИ ЗАКАЗЕ СТРОИТЕЛЬСТВА
Стоимость строительства от:
16 051 680 ₽
Артикул ART-19079
Дата 26.12.2025
Архитектурный стиль Классический
Количество надземных этажей 2
Круглогодичное проживание Да
Площадь дома 222 м2
Санузлы 3
Спальни 7

Описание

Наслаждайтесь идеальным сочетанием классической элегантности и практичной комфортности в новом загородном доме NHD‑162. Этот двухэтажный шедевр создан как настоящий уголок уединения и спокойствия, где каждое помещение пропитано теплом и светом в течение всего года. Без лишних балконов, лоджий или веранды внимание сосредоточено на простоте и гармонии: открытая планировка и большие окна создают ощущение свободы и воздушности, позволяя вам видеть и чувствовать природу вокруг, как никогда раньше. Дом из газобетонных блоков сочетает надёжность и энергоэффективность, обеспечивая отличную термо- и звукоизоляцию. Заставьте свой образ жизни сиять на солнце: просторная терраса приглашает к вечерним собраниям, обедам на свежем воздухе и просто к наслаждению красотой заката. Квартирные помещения удобно расположены так, чтобы минимизировать шум, а четыре скатных крыши вальмового типа придают дому аутентичный шарм, усиливая ощущение спокойствия и уюта. Этот дом – приглашение к долгой, счастливой семье, где каждое утро начинается с ароматов свежеиспечённого хлеба, а вечер заканчивается тихим уютом. Если вы ищете сочетание классицизма, практичности и природной красоты, NHD‑162 – это ваш идеальный выбор. Позвоните сейчас, и давайте вместе сделаем ваш новый дом реальностью.

Характеристики дома

Архитектурный стиль
Автоматизированное регулирование параметров теплоносителя
Да
Балконы/лоджии
Отсутствуют
Чердачное помещение
Нет
Датчики протечки воды
Нет
Эксплуатируемая или зеленая кровля
Нет
Электроснабжение
Центральное
Газоснабжение
Центральное
Изоляция воздушного шума
Да
Камин
Нет
Класс энергоэффективности
A++
Класс энергосбережения
A++
Количество надземных этажей
2
Круглогодичное проживание
Да
Материал кровли
Металлочерепица
Материал перекрытий
Сборные железобетонные предварительно напряженные пустотные плиты
Материал внешних стен
Материал внутренних перегородок
Блочные
Модульное строительство с конструкциями заводского изготовления
Нет
Объем надземной части
911 м3
Основной материал фасадов
Штукатурка
Отопление
Индивидуальное
Площадь дома
222 м2
Площадь застройки
222 м2
Подвальное помещение
Нет
Показатель компактности здания
0.8
Приборы учета тепловой энергии
Да
Пристроенный гараж/крытая автостоянка
Нет
Противопожарная система
Нет
Санузлы
3
Совмещенная кухня-гостиная
Да
Спальни
7
Терраса
Да
Тип фундамента
Свайно-ростверковый
Толщина внешних стен
400 мм
Толщина внутренних перегородок
100 мм
Улучшенные шумовые характеристики
Да
Вентиляция
Естественная
Веранда
Нет
Водоотведение
Локальные очистные сооружения
Водоснабжение
Индивидуальное
Высота дома
9.38 м
Высота потолков
2.75 м

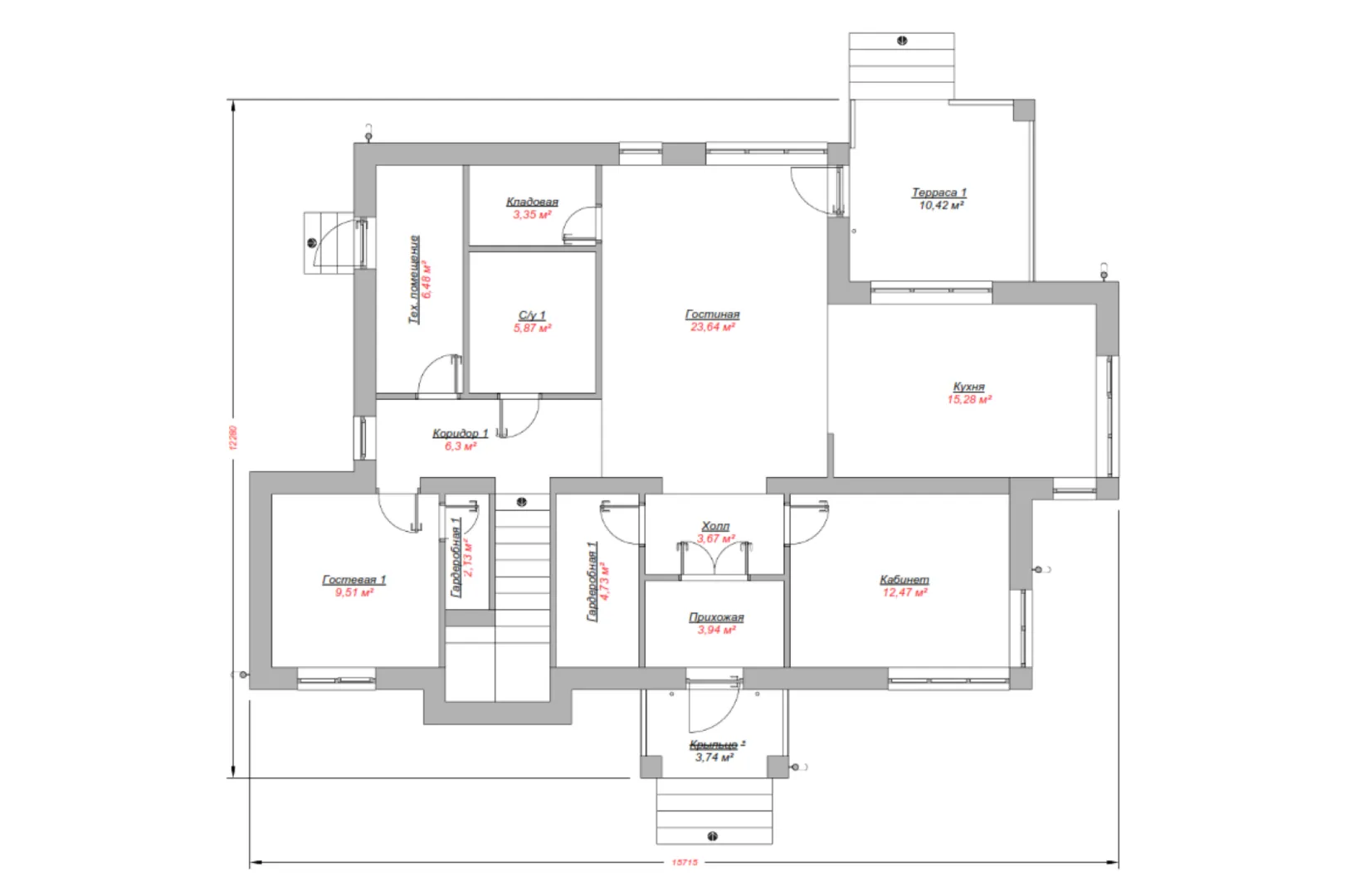
Планировка

Фасад дома

Александр

Закажите выезд инженера

Александр

Выездной инженер
Закажите выезд инженера для точной диагностики и профессиональной консультации по инженерным системам. Специалист приедет в удобное время, проведёт осмотр, рассчитает стоимость работ и подберёт оптимальные решения для вашего дома.


    Похожие проекты

    Ипотека и
    рассрочка
    Каркасный дом Енисей-2 70
    Стоимость от:
    4 195 800
    Проект от: 31 500
    Этажей 2
    Санузлы 1
    Спальни 3
    Смотреть
    Ипотека и
    рассрочка
    Гагарин
    Стоимость от:
    4 139 300
    Проект от: 24 750
    Этажей 1
    Санузлы 1
    Спальни 3
    Смотреть
    Ипотека и
    рассрочка
    Одноэтажный дом №2
    Стоимость от:
    8 118 440
    Проект от: 45 900
    Этажей 1
    Санузлы 2
    Спальни 2
    Смотреть
    Ипотека и
    рассрочка
    Авторский проект «Майпо 2.0»
    Стоимость от:
    3 954 720
    Проект от: 25 200
    Этажей 1
    Санузлы 1
    Спальни 2
    Смотреть
    Ипотека и
    рассрочка
    Двухэтажный дом ПГ — 7
    Стоимость от:
    11 572 800
    Проект от: 72 000
    Этажей 2
    Санузлы 2
    Спальни 4
    Смотреть
    Ипотека и
    рассрочка
    Одноэтажный дом ЛИДЕР
    Стоимость от:
    9 168 280
    Проект от: 60 300
    Этажей 1
    Санузлы 2
    Спальни 3
    Смотреть

    Как узнать стоимость дома

    back
    Оставляете заявку
    Вы заполняете форму на сайте или звоните нам. Менеджер Лайвкрафт связывается с вами для уточнения деталей: тип дома, площадь, материалы, участок строительства.
    back
    Консультация и подбор решения
    Наш специалист помогает выбрать оптимальный тип дома и конструкцию с учётом бюджета, сроков и целей — будь то дом для постоянного проживания или дача.
    back
    Расчёт предварительной стоимости
    Инженер делает первичный расчёт стоимости строительства по вашим параметрам: фундамент, коробка, кровля, отделка. Вы получаете смету с разбивкой по этапам.
    back
    Корректировка и утверждение сметы
    При необходимости вносим изменения — например, замену материалов или сокращение этапов. После согласования формируется окончательная фиксированная смета.
    back
    Заключение договора и старт работ
    После утверждения сметы заключаем официальный договор с гарантией. Вы получаете прозрачный график и точную стоимость — без скрытых расходов.

    Заказать конусльтацию по:Проект загородного дома NHD-162

    Фото 1 Проект загородного дома NHD-162


      Наши
      контакты

      Дмитров
      Опорный проезд 28Б
      (индустриальный парк Ниагара)
      9:00 до 18:00

      Корзина